Ten artykuł to praktyczny, krok po kroku poradnik, który przeprowadzi Cię przez proces podłączania dwóch lamp do podwójnego włącznika. Dowiesz się, jak bezpiecznie i prawidłowo wykonać instalację, jakie narzędzia będą potrzebne oraz na co zwrócić szczególną uwagę, aby cieszyć się funkcjonalnym i bezpiecznym oświetleniem. Jako osoba z doświadczeniem w pracy z instalacjami elektrycznymi, wiem, jak ważne jest zrozumienie każdego etapu i przestrzeganie zasad bezpieczeństwa.
Podłączanie dwóch lamp do podwójnego włącznika: kluczowe aspekty bezpieczeństwa i funkcjonalności
- Podwójny włącznik umożliwia niezależne sterowanie dwoma obwodami oświetleniowymi z jednego miejsca, zwiększając komfort i elastyczność.
- Bezwzględne bezpieczeństwo jest priorytetem: zawsze odłączaj zasilanie i sprawdzaj brak napięcia próbnikiem przed rozpoczęciem prac.
- W polskiej instalacji przewody mają standardowe kolory: fazowy (L) – brązowy/czarny, neutralny (N) – niebieski, ochronny (PE) – żółto-zielony.
- Przewody neutralne (N) i ochronne (PE) z zasilania i obu lamp łączymy razem w puszce, omijając mechanizm włącznika.
- Zgodnie z polskim prawem, prace w instalacji elektrycznej wymagają odpowiednich uprawnień kwalifikacyjnych (SEP).
- Do połączeń w puszce zaleca się użycie szybkozłączek WAGO dla łatwości i bezpieczeństwa.
Podwójny włącznik, podwójna kontrola – dlaczego to rozwiązanie jest dziś standardem
Podwójne włączniki, często nazywane świecznikowymi, zyskały ogromną popularność w nowoczesnych instalacjach elektrycznych, stając się niemal standardem w wielu domach i mieszkaniach. Ich główną zaletą jest możliwość niezależnego sterowania dwoma oddzielnymi obwodami oświetleniowymi z jednego miejsca. Oznacza to, że z poziomu jednego modułu na ścianie możemy włączać i wyłączać na przykład oświetlenie główne oraz dodatkowe, dekoracyjne, bez konieczności instalowania dwóch oddzielnych włączników obok siebie.
To rozwiązanie nie tylko zwiększa funkcjonalność, ale także znacząco wpływa na estetykę wnętrza. Zamiast dwóch lub więcej pojedynczych włączników, mamy jeden, spójny element, co przekłada się na bardziej uporządkowany wygląd ściany. Z perspektywy praktycznej, podwójny włącznik oferuje większą elastyczność w aranżacji oświetlenia, pozwalając na tworzenie różnorodnych scen świetlnych i dostosowywanie natężenia światła do aktualnych potrzeb i nastroju. To naprawdę zmienia sposób, w jaki korzystamy z oświetlenia w naszych domach.
Więcej niż wygoda: oszczędność i klimat w jednym
Możliwość włączania tylko części oświetlenia to nie tylko kwestia wygody, ale także realna oszczędność energii. Zamiast rozświetlać całe pomieszczenie, możemy włączyć tylko te lampy, które są w danej chwili potrzebne, na przykład oświetlenie nad blatem kuchennym podczas przygotowywania posiłku, bez konieczności zapalania lampy sufitowej. To proste działanie, które w skali roku może przynieść zauważalne zmniejszenie rachunków za prąd.
Co więcej, podwójny włącznik jest doskonałym narzędziem do tworzenia różnorodnych nastrojów i atmosfer w pomieszczeniu. Wyobraźmy sobie salon, w którym główna lampa sufitowa daje jasne, ogólne światło, a dodatkowe kinkiety lub taśmy LED tworzą bardziej intymny, przytulny klimat. Dzięki podwójnemu włącznikowi możemy łatwo przełączać się między tymi trybami. W kuchni możemy mieć jasne światło do pracy i delikatne, punktowe oświetlenie do wieczornego relaksu. W sypialni natomiast, możemy oddzielnie sterować oświetleniem ogólnym i lampkami nocnymi, co jest niezwykle praktyczne.
Kiedy podwójny włącznik sprawdzi się najlepiej? Praktyczne scenariusze
Podwójne włączniki znajdują zastosowanie w wielu miejscach w domu, oferując optymalne rozwiązania dla różnych potrzeb oświetleniowych:
- Kuchnia: Idealny do niezależnego sterowania oświetleniem ogólnym (np. lampa sufitowa) i oświetleniem zadaniowym (np. listwa LED nad blatem roboczym).
- Salon: Pozwala na oddzielne włączanie oświetlenia głównego (żyrandol) i dekoracyjnego (kinkiety, lampy podłogowe, oświetlenie obrazów), tworząc różne nastroje.
- Sypialnia: Umożliwia sterowanie lampą sufitową oraz lampkami nocnymi lub oświetleniem garderoby z jednego punktu.
- Korytarz/Przedpokój: Często używany do włączania oświetlenia głównego oraz dodatkowego, np. podświetlenia lustra lub szafy.
- Łazienka: Doskonały do oddzielnego włączania oświetlenia ogólnego i oświetlenia lustra, co jest praktyczne podczas codziennej toalety.
- Jadalnia: Pozwala na sterowanie oświetleniem nad stołem (np. lampa wisząca) oraz oświetleniem uzupełniającym lub dekoracyjnym w pomieszczeniu.
Zanim zaczniesz: absolutne podstawy bezpieczeństwa przy pracy z prądem
Praca z instalacją elektryczną to nie przelewki. Bezpieczeństwo jest absolutnym priorytetem i nie ma tu miejsca na kompromisy czy pośpiech. Zanim w ogóle pomyślisz o dotknięciu jakiegokolwiek przewodu, musisz zrozumieć i bezwzględnie przestrzegać podstawowych zasad. Pominięcie któregokolwiek z tych kroków może prowadzić do poważnych obrażeń, a nawet śmierci. Zawsze pamiętaj, że prąd jest niewidzialny i bezwonne, a jego skutki mogą być tragiczne.
Z mojego doświadczenia wiem, że najwięcej wypadków zdarza się, gdy ludzie lekceważą podstawowe procedury. Dlatego zawsze powtarzam: nigdy nie pracuj pod napięciem! Zawsze zakładaj, że przewody są pod napięciem, dopóki nie upewnisz się, że jest inaczej, korzystając z odpowiednich narzędzi. To podstawowa zasada, która powinna kierować każdą Twoją czynnością.
KROK ZERO: Jak prawidłowo i skutecznie odłączyć zasilanie
Odłączenie zasilania to pierwszy i najważniejszy krok. Oto jak to zrobić prawidłowo:
- Zlokalizuj rozdzielnicę elektryczną: Zazwyczaj znajduje się w przedpokoju, piwnicy lub pomieszczeniu gospodarczym. Jest to skrzynka z bezpiecznikami (wyłącznikami nadprądowymi).
- Zidentyfikuj odpowiedni obwód: W rozdzielnicy znajdź bezpiecznik odpowiadający za obwód oświetleniowy, nad którym będziesz pracować. Często są one opisane (np. "Oświetlenie salon", "Oświetlenie kuchnia"). Jeśli nie masz pewności, który to obwód, wyłącz główny wyłącznik prądu, odcinając zasilanie w całym mieszkaniu. To najbezpieczniejsza opcja.
- Wyłącz bezpiecznik: Przesuń dźwignię odpowiedniego bezpiecznika do pozycji "OFF" lub "0". W przypadku starego typu bezpieczników topikowych, wykręć go.
- Zabezpiecz przed przypadkowym włączeniem: Jeśli to możliwe, zabezpiecz wyłączony bezpiecznik przed przypadkowym włączeniem przez inną osobę (np. zaklej taśmą z napisem "NIE WŁĄCZAĆ" lub poinformuj domowników).
- Sprawdź brak napięcia: Po wyłączeniu bezpiecznika, zawsze upewnij się, że w przewodach nie ma napięcia. Jak to zrobić, opisuję w kolejnym punkcie.
Narzędzie, które ratuje życie: dlaczego próbnik napięcia to Twój obowiązkowy pomocnik
Nawet po wyłączeniu bezpiecznika, nigdy nie ufaj, że prąd został odłączony. Zawsze może zdarzyć się pomyłka, uszkodzenie instalacji lub błąd w oznaczeniach. Dlatego próbnik napięcia (potocznie "neonówka") lub multimetr to Twoje absolutnie obowiązkowe narzędzia. Próbnik napięcia pozwala w prosty sposób sprawdzić obecność napięcia w przewodzie – po dotknięciu przewodu końcówką i jednoczesnym dotknięciu palcem metalowej części próbnika, zaświeci się dioda, jeśli w przewodzie jest prąd. Multimetr oferuje bardziej precyzyjny pomiar napięcia.Zawsze, przed dotknięciem jakiegokolwiek przewodu, sprawdź każdy z nich próbnikiem. Dotyczy to zarówno przewodów fazowych, jak i neutralnych oraz ochronnych – choć te ostatnie nie powinny mieć napięcia, zawsze warto to zweryfikować. To prosta czynność, która zajmuje kilka sekund, a może uratować życie. Pamiętaj, że nawet niewielkie napięcie może być niebezpieczne w określonych warunkach.
Kwestie prawne w pigułce: co musisz wiedzieć o uprawnieniach SEP w Polsce
W Polsce, zgodnie z Prawem energetycznym, wykonywanie, modernizacja i naprawa instalacji elektrycznych wymaga posiadania odpowiednich uprawnień kwalifikacyjnych, potocznie znanych jako "uprawnienia SEP". Są to świadectwa kwalifikacyjne potwierdzające wiedzę i umiejętności w zakresie eksploatacji lub dozoru urządzeń, instalacji i sieci elektrycznych. Według danych Ardant.pl, w Polsce prace w instalacji elektrycznej wymagają posiadania odpowiednich uprawnień kwalifikacyjnych (potocznie "uprawnień SEP"), co reguluje Prawo energetyczne.
Samodzielne wykonywanie prac bez wymaganych kwalifikacji jest niezgodne z prawem i niesie ze sobą poważne konsekwencje. Po pierwsze, w razie wypadku (np. porażenia prądem, pożaru spowodowanego wadliwą instalacją), możesz mieć problemy z ubezpieczeniem, które może odmówić wypłaty odszkodowania. Po drugie, narażasz siebie i innych na niebezpieczeństwo. Profesjonalny elektryk posiada nie tylko wiedzę, ale i doświadczenie, a także odpowiednie ubezpieczenie OC. Zawsze zalecam rozważenie wezwania fachowca, jeśli nie czujesz się w pełni kompetentny do wykonania pracy. Lepiej zapłacić za usługę niż ryzykować zdrowie i bezpieczeństwo.
Niezbędnik instalatora: narzędzia i materiały, które musisz przygotować
Przed przystąpieniem do jakichkolwiek prac, upewnij się, że masz pod ręką wszystkie niezbędne narzędzia i materiały. Posiadanie odpowiedniego sprzętu nie tylko ułatwia pracę, ale przede wszystkim zapewnia bezpieczeństwo. Zawsze korzystaj z narzędzi, które są przeznaczone do prac elektrycznych i posiadają odpowiednią izolację. To kluczowe, aby uniknąć przypadkowego porażenia prądem, nawet jeśli zasilanie jest odłączone.
Lista narzędzi: od wkrętaka po ściągacz izolacji
Oto lista narzędzi, które będą Ci potrzebne do podłączenia dwóch lamp do podwójnego włącznika:
- Izolowane wkrętaki: Płaski i krzyżakowy (PH1, PH2). Upewnij się, że są to wkrętaki z atestowaną izolacją do 1000V.
- Próbnik napięcia: Niezbędny do weryfikacji braku napięcia.
- Multimetr: Opcjonalnie, do bardziej precyzyjnego pomiaru napięcia i ciągłości obwodu.
- Kombinerki: Do chwytania, gięcia i cięcia przewodów.
- Szczypce do ściągania izolacji: Umożliwiają precyzyjne i bezpieczne usunięcie izolacji z przewodów bez uszkadzania żył.
- Nożyk monterski: Do nacinania izolacji zewnętrznej kabli.
- Taśma izolacyjna: Do zabezpieczania końcówek przewodów lub tymczasowych izolacji.
- Miarka: Do precyzyjnego odmierzania długości przewodów.
- Latarka czołowa: Aby mieć wolne ręce i dobre oświetlenie miejsca pracy, nawet w przypadku braku prądu.
Szybkozłączki WAGO czy kostki śrubowe? Co wybrać do połączenia przewodów
Wybór metody łączenia przewodów ma znaczenie dla bezpieczeństwa i trwałości instalacji. Tradycyjne kostki śrubowe są powszechnie stosowane, ale wymagają precyzyjnego dokręcenia śrub, aby zapewnić pewny kontakt. Niewystarczająco dokręcona śruba może prowadzić do grzania się połączenia, a nawet pożaru. Są one również bardziej czasochłonne w montażu i demontażu.
Z drugiej strony, szybkozłączki WAGO (lub podobne złączki sprężynowe) to nowoczesne rozwiązanie, które zyskuje coraz większą popularność. Ich główną zaletą jest łatwość i szybkość montażu – wystarczy wsunąć odizolowany przewód, a sprężyna zapewnia pewne i trwałe połączenie. Nie wymagają narzędzi do dokręcania i eliminują ryzyko niedokręcenia. Są również bezpieczniejsze, ponieważ połączenie jest izolowane i trudniej o przypadkowy kontakt. Według danych Ardant.pl, szybkozłączki WAGO są często rekomendowane dla amatorów ze względu na ich bezpieczeństwo i łatwość montażu. Dla osoby, która nie ma dużego doświadczenia w pracach elektrycznych, zdecydowanie polecam szybkozłączki WAGO, zwłaszcza te z dźwigniami (seria 221), które umożliwiają łatwe poprawianie połączeń.Tęcza kabli pod napięciem: jak rozpoznać przewody w polskiej instalacji
Zrozumienie kolorystyki przewodów w instalacji elektrycznej jest absolutnie kluczowe dla prawidłowego i bezpiecznego podłączenia. W Polsce obowiązują określone normy, które precyzują kolory izolacji przewodów, a ich przestrzeganie jest obowiązkowe. Pomyłka w identyfikacji przewodów może mieć katastrofalne skutki. Pamiętaj, że stare instalacje mogą mieć inną kolorystykę, dlatego zawsze weryfikuj obecność napięcia próbnikiem.
| Kolor przewodu | Oznaczenie | Funkcja |
|---|---|---|
| Brązowy lub czarny | L (Faza) | Przewód fazowy, który "niesie" napięcie. To przez niego płynie prąd do odbiornika (lampy). W przypadku podwójnego włącznika, często używa się dwóch przewodów fazowych (np. brązowego i czarnego) do zasilania dwóch niezależnych obwodów lamp. |
| Niebieski | N (Neutralny) | Przewód neutralny, który służy do zamknięcia obwodu elektrycznego. Prąd wraca nim do źródła zasilania. Przewody neutralne zawsze łączymy razem w puszce, omijając włącznik. |
| Żółto-zielony | PE (Ochronny) | Przewód ochronny, odpowiedzialny za ochronę przeciwporażeniową. W przypadku awarii (np. przebicia izolacji), odprowadza prąd do ziemi, zapobiegając porażeniu. Przewody ochronne również łączymy razem w puszce, omijając włącznik. |
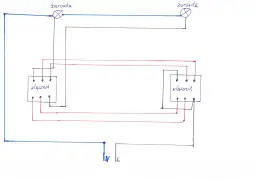
Jak podłączyć przewody do włącznika podwójnego – krok po kroku
Teraz przejdźmy do sedna, czyli podłączenia przewodów do samego włącznika. Pamiętaj, że wszystkie prace wykonujesz przy odłączonym zasilaniu i po sprawdzeniu braku napięcia!
- Zidentyfikuj przewody: W puszce pod włącznikiem powinieneś mieć przewód zasilający (zazwyczaj trójżyłowy: faza L, neutralny N, ochronny PE) oraz dwa przewody prowadzące do lamp (każdy zazwyczaj trójżyłowy: faza L, neutralny N, ochronny PE). W przypadku podwójnego włącznika, od zasilania do puszki włącznika powinien przychodzić jeden przewód fazowy (np. brązowy), a z włącznika do każdej z lamp powinien iść osobny przewód fazowy (np. czarny do lampy 1 i szary do lampy 2, lub brązowy i czarny, jeśli użyto kabla czterożyłowego).
- Podłącz przewód fazowy zasilający: Przewód fazowy (L) z zasilania (brązowy lub czarny) podłącz do zacisku wejściowego włącznika. Ten zacisk jest zazwyczaj oznaczony literą "L", "P" lub strzałką skierowaną do środka włącznika.
- Podłącz przewody fazowe do lamp: Z dwóch pozostałych zacisków wyjściowych włącznika (często oznaczonych cyframi 1 i 2 lub strzałkami skierowanymi na zewnątrz) podłącz przewody fazowe prowadzące do poszczególnych lamp. Na przykład, z zacisku "1" podłącz przewód fazowy do pierwszej lampy, a z zacisku "2" przewód fazowy do drugiej lampy. Upewnij się, że są to odpowiednie kolory przewodów, które później zidentyfikujesz przy lampach.
- Sprawdź połączenia: Upewnij się, że wszystkie przewody są solidnie zamocowane w zaciskach włącznika. Delikatnie pociągnij za każdy przewód, aby sprawdzić, czy nie wysunął się z zacisku.
Połączenia w puszce: przewody neutralne i ochronne
Przewody neutralne (N) i ochronne (PE) nie przechodzą przez mechanizm włącznika, ale są kluczowe dla działania i bezpieczeństwa instalacji. Ich połączenia wykonuje się bezpośrednio w puszce instalacyjnej.
- Połącz przewody neutralne (N): Wszystkie przewody neutralne (N) – niebieskie – z zasilania oraz z obu lamp, należy połączyć ze sobą. Najlepiej użyć do tego szybkozłączek WAGO. Włóż wszystkie niebieskie przewody do jednej złączki, upewniając się, że są dobrze osadzone.
- Połącz przewody ochronne (PE): Analogicznie, wszystkie przewody ochronne (PE) – żółto-zielone – z zasilania oraz z obu lamp, połącz ze sobą w osobnej szybkozłączce WAGO.
- Uporządkuj przewody: Po wykonaniu połączeń, starannie ułóż przewody w puszce, aby nie były ściśnięte i aby włącznik mógł swobodnie się zmieścić.
Jak podłączyć pierwszą lampę do jej dedykowanego obwodu
Po podłączeniu włącznika i przewodów w puszce, czas na podłączenie lamp. Pamiętaj o zachowaniu ostrożności i precyzji.
- Zidentyfikuj przewody przy lampie: Przy punkcie montażowym pierwszej lampy powinieneś mieć trzy przewody: fazowy (L), neutralny (N) i ochronny (PE). Przewód fazowy to ten, który podłączyłeś do jednego z zacisków wyjściowych włącznika.
- Przygotuj przewody: Delikatnie ściągnij izolację z końcówek przewodów na długość wskazaną przez producenta lampy lub złączki (zazwyczaj około 9-11 mm).
- Podłącz przewód fazowy (L): Przewód fazowy (np. czarny lub brązowy) podłącz do zacisku oznaczonego jako "L" w oprawie lampy.
- Podłącz przewód neutralny (N): Przewód neutralny (niebieski) podłącz do zacisku oznaczonego jako "N" w oprawie lampy.
- Podłącz przewód ochronny (PE): Przewód ochronny (żółto-zielony) podłącz do zacisku oznaczonego symbolem uziemienia (trzy poziome kreski, z których jedna jest krótsza) lub literami "PE".
- Sprawdź połączenia: Upewnij się, że wszystkie przewody są solidnie zamocowane i nie ma luźnych połączeń.
Jak podłączyć drugą lampę do drugiego obwodu
Podłączenie drugiej lampy jest analogiczne do pierwszej, z tą różnicą, że używasz drugiego przewodu fazowego wychodzącego z włącznika.
- Zidentyfikuj przewody przy lampie: Przy punkcie montażowym drugiej lampy powinieneś mieć trzy przewody: fazowy (L), neutralny (N) i ochronny (PE). Przewód fazowy to ten, który podłączyłeś do drugiego zacisku wyjściowego włącznika.
- Przygotuj przewody: Delikatnie ściągnij izolację z końcówek przewodów na odpowiednią długość.
- Podłącz przewód fazowy (L): Przewód fazowy (np. szary lub inny kolor użyty dla drugiego obwodu) podłącz do zacisku oznaczonego jako "L" w oprawie lampy.
- Podłącz przewód neutralny (N): Przewód neutralny (niebieski) podłącz do zacisku oznaczonego jako "N" w oprawie lampy.
- Podłącz przewód ochronny (PE): Przewód ochronny (żółto-zielony) podłącz do zacisku oznaczonego symbolem uziemienia (PE).
- Sprawdź połączenia: Upewnij się, że wszystkie przewody są solidnie zamocowane.
Zwróć uwagę na zaciski w lampie: gdzie podpiąć L, N i PE
W większości opraw oświetleniowych zaciski są wyraźnie oznaczone, co znacznie ułatwia prawidłowe podłączenie. Zacisk fazowy jest zazwyczaj oznaczony literą "L" (od ang. Line). Zacisk neutralny oznaczony jest literą "N" (od ang. Neutral). Zacisk ochronny, czyli uziemienie, jest oznaczony specjalnym symbolem uziemienia (trzy poziome kreski, z których jedna jest krótsza) lub literami "PE" (od ang. Protective Earth). Zawsze dokładnie sprawdzaj te oznaczenia przed podłączeniem. W przypadku braku oznaczeń lub wątpliwości, skonsultuj się z instrukcją lampy lub elektrykiem. Prawidłowe podłączenie przewodu ochronnego jest kluczowe dla Twojego bezpieczeństwa.
Wielki finał: testowanie i rozwiązywanie najczęstszych problemów
Po zakończeniu wszystkich połączeń, zarówno przy włączniku, jak i przy lampach, nadszedł moment na bezpieczne uruchomienie instalacji i sprawdzenie jej działania. To etap, który wymaga ostrożności i uwagi. Zawsze bądź przygotowany na to, że coś może nie zadziałać od razu – to normalne, a kluczem jest umiejętność szybkiego zdiagnozowania i rozwiązania problemu.
Bezpieczne uruchomienie: procedura włączenia zasilania i pierwszy test
- Upewnij się, że wszystko jest złożone: Przed włączeniem zasilania, upewnij się, że włącznik jest zamontowany w puszce, a oprawy lamp są kompletne i bezpieczne. Nie zostawiaj żadnych odsłoniętych przewodów.
- Włącz bezpiecznik: Udaj się do rozdzielnicy i ostrożnie włącz bezpiecznik, który wcześniej wyłączyłeś. Jeśli wyłączyłeś główny wyłącznik, włącz go.
- Obserwuj: Po włączeniu zasilania, przez chwilę obserwuj, czy nie ma żadnych niepokojących sygnałów, takich jak iskrzenie, dymienie, nietypowe zapachy. Jeśli coś takiego zauważysz, natychmiast wyłącz zasilanie!
- Testuj włącznik: Przejdź do włącznika i sprawdź działanie obu klawiszy. Każdy klawisz powinien niezależnie włączać i wyłączać przypisaną mu lampę.
- Sprawdź wszystkie funkcje: Upewnij się, że obie lampy świecą prawidłowo i że włącznik działa zgodnie z Twoimi oczekiwaniami.
Jedna z lamp nie działa? Sprawdź te 3 rzeczy
Jeśli po włączeniu zasilania jedna z lamp nie świeci, nie panikuj. To najczęstszy problem, który zazwyczaj ma proste rozwiązanie. Oto co należy sprawdzić:
- Pomyłka w podłączeniu przewodów fazowych: Bardzo często zdarza się, że przewody fazowe (L1 i L2) przy włączniku zostały zamienione miejscami lub jeden z nich nie został prawidłowo podłączony do zacisku. Sprawdź, czy przewód fazowy od niedziałającej lampy jest poprawnie wpięty do odpowiedniego zacisku wyjściowego włącznika. Pamiętaj, aby przed ponowną weryfikacją odłączyć zasilanie!
- Luźne połączenie w kostce/złączce: Sprawdź wszystkie połączenia przewodów w puszce (zwłaszcza te wykonane szybkozłączkami WAGO lub kostkami śrubowymi) oraz w oprawie niedziałającej lampy. Czasami przewód może być niedokładnie wsunięty lub śruba niedokręcona, co prowadzi do braku kontaktu.
- Przepalona żarówka: To najbardziej prozaiczna, ale i najczęstsza przyczyna. Sprawdź, czy żarówka w niedziałającej lampie jest sprawna. Wymień ją na inną, o której wiesz, że działa, aby wykluczyć tę możliwość.
Włącznik działa odwrotnie? Jak w 2 minuty zamienić działanie klawiszy
Zdarza się, że po podłączeniu okazuje się, że lewy klawisz włącza prawą lampę, a prawy klawisz lewą. To kwestia intuicji i osobistych preferencji. Na szczęście, jest to bardzo łatwe do skorygowania. Wystarczy, że po odłączeniu zasilania, w puszce pod włącznikiem zamienisz miejscami dwa przewody fazowe, które wychodzą z włącznika i idą do lamp. Czyli przewód, który szedł z zacisku "1" do lampy A, podłącz do zacisku "2", a przewód, który szedł z zacisku "2" do lampy B, podłącz do zacisku "1". Po ponownym włączeniu zasilania, klawisze powinny działać zgodnie z Twoimi oczekiwaniami. Pamiętaj o dokładnym sprawdzeniu połączeń po zamianie.
Czy taka instalacja jest zawsze możliwa? Ograniczenia i alternatywy
Chociaż podłączenie dwóch lamp do podwójnego włącznika jest stosunkowo prostym zadaniem w nowoczesnych instalacjach, istnieją sytuacje, w których może to być problematyczne lub wymagać większej ingerencji. Ważne jest, aby być świadomym tych ograniczeń, aby nie narazić się na niepotrzebne trudności lub, co gorsza, na niebezpieczeństwo. Czasem lepiej jest zrezygnować z samodzielnej pracy i powierzyć ją profesjonalistom.
Problem ze starą, dwużyłową instalacją – co robić
Jednym z największych wyzwań są stare instalacje elektryczne, zwłaszcza te dwużyłowe. W takich instalacjach brakuje przewodu ochronnego (PE), który jest kluczowy dla bezpieczeństwa przeciwporażeniowego. Podłączenie nowoczesnych lamp (które zazwyczaj wymagają przewodu PE) do takiej instalacji jest niebezpieczne i niezgodne z obowiązującymi normami. W przypadku instalacji dwużyłowej, nie ma możliwości prawidłowego podłączenia przewodu ochronnego, co zwiększa ryzyko porażenia prądem w razie awarii urządzenia.
W takiej sytuacji jedynym bezpiecznym i zgodnym z przepisami rozwiązaniem jest modernizacja instalacji elektrycznej, czyli wymiana okablowania na trójżyłowe. Jeśli nie jest to możliwe, można rozważyć zastosowanie lamp z II klasą izolacji (oznaczone symbolem podwójnego kwadratu), które nie wymagają przewodu ochronnego. Należy jednak pamiętać, że takie rozwiązanie nie rozwiązuje problemu braku uziemienia w całej instalacji i powinno być traktowane jako ostateczność, a najlepiej skonsultowane z elektrykiem.
Brak miejsca w puszce? Kiedy instalacja wymaga większej ingerencji
Puszki instalacyjne, w których montujemy włączniki i wykonujemy połączenia przewodów, mają ograniczoną pojemność. W przypadku podłączania dwóch lamp do podwójnego włącznika, w puszce znajdzie się sporo przewodów (zasilanie, dwa obwody do lamp, przewody neutralne i ochronne). Jeśli puszka jest zbyt płytka lub zbyt mała, prawidłowe i bezpieczne umieszczenie wszystkich przewodów i złączek może być niemożliwe. Ściśnięte przewody mogą prowadzić do uszkodzenia izolacji, przegrzewania się, a nawet zwarcia.
W takiej sytuacji konieczne może być użycie głębszej puszki instalacyjnej lub, w niektórych przypadkach, zastosowanie dodatkowej puszki rozgałęźnej, w której wykonane zostaną część połączeń. Taka ingerencja wymaga już większego doświadczenia i narzędzi, a także może wiązać się z koniecznością kucia w ścianie. Jeśli napotkasz taki problem, zastanów się, czy nie lepiej wezwać elektryka.
Przeczytaj również: Mocowanie żyrandola do sufitu - Czy zrobisz to bezpiecznie?
Nie czujesz się na siłach? Dlaczego wezwanie elektryka to zawsze dobra inwestycja
Moje doświadczenie pokazuje, że choć wiele prac elektrycznych wydaje się prostych, to bezpieczeństwo i prawidłowe funkcjonowanie instalacji są najważniejsze. Jeśli w którymkolwiek momencie pracy poczujesz się niepewnie, masz wątpliwości co do swoich umiejętności lub napotkasz problem, którego nie potrafisz rozwiązać, zawsze zrezygnuj z samodzielnej pracy i wezwij wykwalifikowanego elektryka. To nie jest oznaka słabości, lecz rozsądku i odpowiedzialności.
Profesjonalny elektryk posiada nie tylko odpowiednie uprawnienia i wiedzę, ale także specjalistyczne narzędzia i doświadczenie w rozwiązywaniu nietypowych problemów. Zapewni, że instalacja zostanie wykonana zgodnie z obowiązującymi normami i przepisami, co jest gwarancją bezpieczeństwa dla Ciebie i Twoich bliskich. Inwestycja w profesjonalną usługę to inwestycja w spokój ducha i uniknięcie kosztownych błędów, które w przypadku elektryki mogą mieć naprawdę poważne konsekwencje.