W dzisiejszych czasach, gdy komfort i funkcjonalność instalacji elektrycznych stają się standardem, sterowanie oświetleniem z wielu miejsc jest niemal niezbędne, zwłaszcza w domach piętrowych czy długich korytarzach. Ten artykuł to kompleksowy przewodnik, który krok po kroku wyjaśni, jak podłączyć podwójny łącznik schodowy, aby niezależnie sterować dwoma obwodami oświetleniowymi z dwóch różnych punktów.
Skuteczne sterowanie dwoma lampami z dwóch miejsc za pomocą łącznika schodowego podwójnego
- Podwójny łącznik schodowy to dwa niezależne przełączniki w jednej obudowie, idealne do sterowania dwoma obwodami oświetleniowymi (np. dwiema lampami) z jednego miejsca.
- Do instalacji potrzebne są: 1x łącznik schodowy podwójny, 2x łącznik schodowy pojedynczy oraz odpowiednie przewody (fazowy, neutralny, ochronny, korespondencyjne).
- Zasada działania opiera się na stworzeniu dwóch równoległych, niezależnych instalacji schodowych, gdzie przewód fazowy jest rozdzielany na dwa wejścia podwójnego łącznika.
- Kluczowe jest bezpieczeństwo: zawsze odłączaj zasilanie przed rozpoczęciem pracy i używaj miernika napięcia.
- Przewody neutralny (N) i ochronny (PE) prowadzi się bezpośrednio do lamp, omijając łączniki.
Dwa źródła światła, pełna kontrola: Kiedy podwójny łącznik schodowy staje się koniecznością?
Współczesne domy i mieszkania stawiają coraz większy nacisk na elastyczność i komfort użytkowania. Dotyczy to również, a może przede wszystkim, instalacji oświetleniowej. Już dawno minęły czasy, gdy jedno źródło światła w pomieszczeniu było wystarczające. Dziś oczekujemy możliwości dostosowania oświetlenia do naszych potrzeb, a co za tym idzie – wygodnego sterowania nim z różnych miejsc. Właśnie w takich sytuacjach, szczególnie na schodach, w długich korytarzach czy dużych salonach, gdzie jedna lampa to za mało, a sterowanie z wielu punktów jest kluczowe dla komfortu i bezpieczeństwa, podwójny łącznik schodowy staje się niezastąpiony.
Problem: Sterowanie oświetleniem na schodach lub w korytarzu
Wyobraźmy sobie sytuację: wchodzimy na schody i chcemy włączyć światło główne, a może dodatkowo subtelne oświetlenie dekoracyjne, które podkreśli architekturę wnętrza. Po dotarciu na piętro chcemy móc niezależnie wyłączyć oba te obwody. Bez odpowiedniego rozwiązania musielibyśmy wracać na dół, aby zgasić światło, lub co gorsza, przechodzić przez ciemne obszary, co jest nie tylko niewygodne, ale i niebezpieczne. Podobnie w długim korytarzu – jedna lampa nie zawsze wystarcza, a sterowanie dwoma osobnymi obwodami (np. oświetleniem ogólnym i punktowym) z dwóch krańców korytarza to podstawa funkcjonalności. Bez podwójnego łącznika schodowego, takie scenariusze prowadzą do frustracji i braku pełnej kontroli nad oświetleniem.
Rozwiązanie: Czym jest podwójny łącznik schodowy i jakie daje możliwości?
Podwójny łącznik schodowy to nic innego jak dwa niezależne łączniki schodowe umieszczone w jednej obudowie. Dzięki temu zyskujemy możliwość sterowania dwoma oddzielnymi obwodami oświetleniowymi (np. dwiema lampami) z jednego miejsca. Na drugim końcu każdego z tych obwodów znajduje się odpowiadający mu pojedynczy łącznik schodowy. Taka konfiguracja umożliwia na przykład włączenie światła głównego i oświetlenia dekoracyjnego na dole schodów, a następnie zgaszenie obu niezależnie na górze. Innym praktycznym zastosowaniem jest sterowanie oświetleniem górnego i dolnego biegu schodów, czy też dwoma strefami w długim korytarzu. To rozwiązanie daje nam pełną elastyczność i wygodę, eliminując potrzebę instalowania dwóch oddzielnych puszek i łączników obok siebie, co poprawia estetykę i oszczędza miejsce.
Zanim wkręcisz pierwszą śrubkę: Bezpieczeństwo i przygotowanie to podstawa
Zanim jednak przejdziemy do szczegółów technicznych i schematów podłączeń, muszę podkreślić jedną, absolutnie kluczową kwestię: bezpieczeństwo. Praca z prądem elektrycznym wiąże się z realnym ryzykiem. Niewłaściwe postępowanie może prowadzić do poważnych obrażeń, porażenia prądem, a nawet pożaru. Dlatego też, wszystkie poniższe kroki dotyczące bezpieczeństwa i przygotowania są obowiązkowe i należy je traktować z najwyższą starannością. Nie ma tu miejsca na pośpiech czy niedbalstwo.
Krok 1: Kategoryczny obowiązek – jak prawidłowo i bezpiecznie odłączyć zasilanie?
To najważniejszy etap każdej pracy z instalacją elektryczną. Nigdy nie zaczynaj, dopóki nie masz pewności, że zasilanie jest odłączone.
- Wyłącz główny wyłącznik prądu lub odpowiednie bezpieczniki/wyłączniki nadprądowe dla obwodu, na którym zamierzasz pracować. W idealnej sytuacji wyłącz zasilanie w całym domu, jeśli nie jesteś pewien, który obwód odpowiada za dane miejsce.
- Upewnij się, że nikt inny nie włączy prądu podczas Twojej pracy. Możesz zabezpieczyć wyłącznik taśmą izolacyjną z wyraźną informacją "NIE WŁĄCZAĆ – PRACE ELEKTRYCZNE" lub zablokować go w pozycji "wyłączony".
- Zawsze, ale to zawsze sprawdź brak napięcia w miejscu pracy. Nie ufaj "na oko" ani temu, że wyłączyłeś bezpiecznik. Użyj bezdotykowego lub dotykowego miernika napięcia (próbnika). Sprawdź nim każdy przewód, z którym będziesz miał kontakt. Dopiero gdy próbnik nie wskaże napięcia, możesz bezpiecznie przystąpić do dalszych działań.
Krok 2: Kompletujemy zestaw – jakie łączniki, przewody i narzędzia będą potrzebne?
Dobrze przygotowany zestaw narzędzi i materiałów to połowa sukcesu. Oto, co będzie Ci potrzebne:
- Łączniki:
- 1x łącznik schodowy podwójny (np. z serii Legrand Cariva, Simon 54, Schneider Asfora – wybierz model pasujący stylistycznie do Twojego wnętrza).
- 2x łącznik schodowy pojedynczy (dopasowane stylistycznie do podwójnego, aby zachować spójność).
- Przewody:
- Przewód fazowy (L) – zazwyczaj czarny, brązowy lub szary.
- Przewód neutralny (N) – zawsze niebieski.
- Przewód ochronny (PE) – zawsze żółto-zielony.
- Przewody korespondencyjne (komunikacyjne) – np. czarne, brązowe, szare, czerwone (ważne, aby nie były to kolory N i PE).
- Dla obwodów oświetleniowych zazwyczaj wystarczający jest przekrój przewodów 1.5 mm².
- Narzędzia:
- Wkrętaki (płaski, krzyżakowy) – do montażu łączników i podłączania przewodów.
- Próbnik napięcia (bezdotykowy lub dotykowy) – niezbędny do sprawdzenia braku napięcia.
- Ściągacz izolacji – do precyzyjnego usuwania izolacji z przewodów.
- Nóż monterski – do cięcia przewodów i usuwania grubszej izolacji.
- Taśma izolacyjna – do zabezpieczania połączeń lub oznaczania przewodów.
- Ewentualnie: zaciskarka do tulejek, kostki WAGO (szybkozłączki) – ułatwiają i przyspieszają łączenie przewodów.
Krok 3: Zrozum kolory – krótki przewodnik po oznaczeniach przewodów elektrycznych (L, N, PE)
Znajomość kolorystyki przewodów to podstawa bezpieczeństwa i prawidłowego montażu. W Polsce obowiązują ścisłe standardy, których należy przestrzegać:
- L (Faza): Zazwyczaj brązowy, czarny, szary (dawniej w starych instalacjach często czerwony). Jest to przewód pod napięciem, który dostarcza prąd do urządzenia. Dotknięcie go grozi porażeniem.
- N (Neutralny): Zawsze niebieski. Jest to przewód powrotny, który zamyka obwód elektryczny. W normalnych warunkach nie znajduje się pod napięciem roboczym, ale zawsze należy traktować go z ostrożnością.
- PE (Ochronny): Zawsze żółto-zielony. Służy do ochrony przed porażeniem elektrycznym. W przypadku awarii (np. przebicia fazy na obudowę urządzenia) odprowadza prąd do ziemi, powodując zadziałanie zabezpieczeń. Nigdy nie wolno go używać do innych celów!
- Przewody korespondencyjne: Mogą mieć różne kolory (np. czarny, brązowy, szary, czerwony), ale nigdy niebieski (N) ani żółto-zielony (PE). Ich zadaniem jest przesyłanie sygnału między łącznikami.
Przestrzeganie tych standardów jest kluczowe nie tylko dla poprawnego działania instalacji, ale przede wszystkim dla Twojego bezpieczeństwa i bezpieczeństwa przyszłych użytkowników.
Sekret tkwi w połączeniach: Jak działa instalacja z podwójnym łącznikiem schodowym?
Zanim przejdziemy do praktycznego montażu, ważne jest, aby zrozumieć, jak działa cała instalacja. Może się wydawać, że schemat z wieloma przewodami jest skomplikowany, ale jego logika jest w rzeczywistości prosta, gdy rozłożymy ją na czynniki pierwsze. Zrozumienie zasady działania pozwoli Ci nie tylko poprawnie podłączyć wszystko, ale także zdiagnozować ewentualne problemy w przyszłości.
Dwa niezależne obwody w jednej puszce: Wizualizacja zasady działania
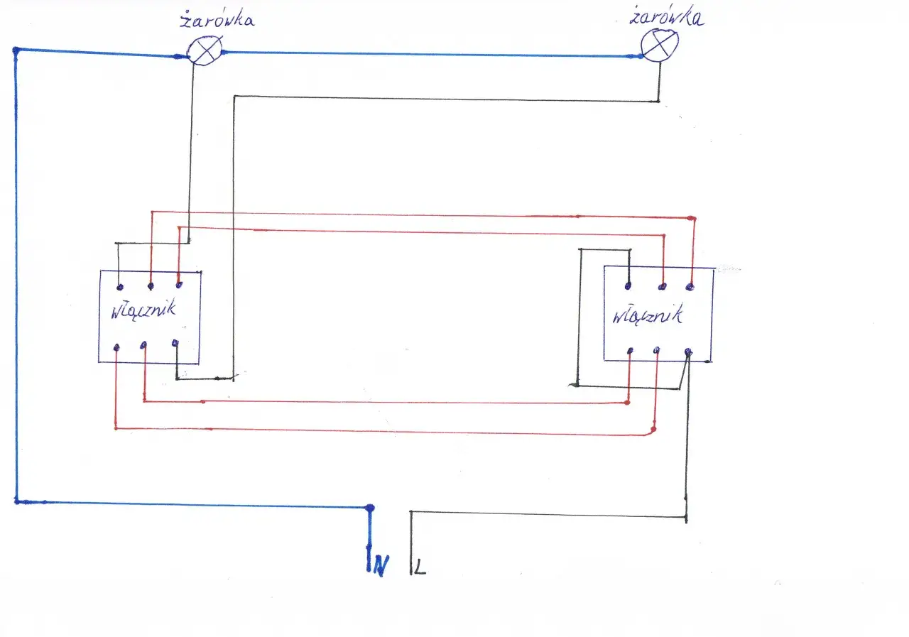
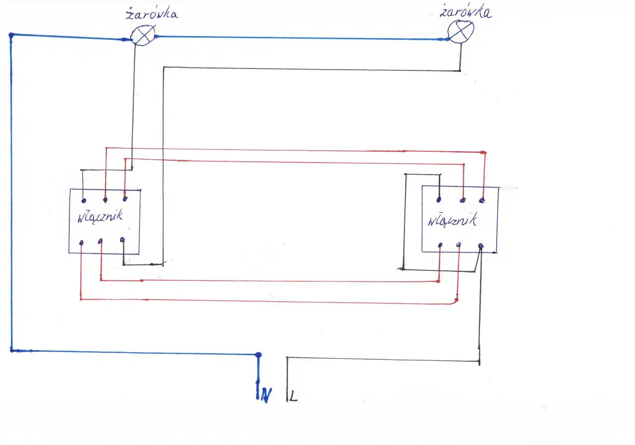
Podstawą działania podwójnego łącznika schodowego jest stworzenie dwóch równoległych, całkowicie niezależnych od siebie instalacji schodowych. Każda z nich steruje inną lampą, ale obie korzystają z jednego punktu zasilania w puszce z podwójnym łącznikiem.
- Zasilanie fazowe (L): Przewód fazowy (L) doprowadzający prąd jest rozdzielany i podłączany do dwóch wejść (zacisków "L" lub oznaczonych strzałką wejściową) podwójnego łącznika. W ten sposób każdy z dwóch niezależnych przełączników wewnątrz obudowy otrzymuje zasilanie.
- Przewody korespondencyjne: Z każdego z dwóch klawiszy (sekcji) podwójnego łącznika wychodzą po dwa przewody korespondencyjne (łącznie cztery przewody). Te przewody biegną do odpowiadających im pojedynczych łączników schodowych, które znajdują się na drugim końcu instalacji (np. na górze schodów). Ich zadaniem jest "komunikacja" między łącznikami, informującymi o aktualnej pozycji przełącznika.
- Wyjścia do lamp: Z wyjść pojedynczych łączników schodowych wychodzą już przewody fazowe (przełączone), które prowadzone są bezpośrednio do odpowiednich lamp. To one dostarczają prąd do żarówki, gdy obwód jest zamknięty.
- Przewody neutralny (N) i ochronny (PE): Należy pamiętać, że przewody neutralny (N) i ochronny (PE) prowadzi się bezpośrednio do lamp, omijając łączniki. Łączniki schodowe sterują wyłącznie przewodem fazowym, otwierając lub zamykając obwód, aby włączyć lub wyłączyć światło.
Według danych branżowych, podwójny łącznik schodowy ma zazwyczaj sześć zacisków - po trzy dla każdego z wbudowanych przełączników, co umożliwia niezależne sterowanie dwoma obwodami.
Schodowy podwójny a krzyżowy – dlaczego nie można ich mylić?
W świecie instalacji elektrycznych często spotykamy się z różnymi typami łączników, które na pierwszy rzut oka mogą wydawać się podobne. Kluczowe jest jednak rozróżnienie łącznika schodowego (pojedynczego i podwójnego) od łącznika krzyżowego. Chociaż oba służą do sterowania oświetleniem z wielu miejsc, ich zasada działania i zastosowanie są fundamentalnie odmienne:
- Łącznik schodowy (pojedynczy/podwójny): Służy do sterowania jednym lub dwoma obwodami (w przypadku podwójnego) z DWÓCH miejsc. Jest to podstawowa konfiguracja, którą omawiamy w tym artykule.
- Łącznik krzyżowy: Używany jest w połączeniu z dwoma łącznikami schodowymi, aby sterować JEDNYM obwodem z TRZECH lub więcej miejsc. Łącznik krzyżowy zawsze znajduje się "pomiędzy" dwoma łącznikami schodowymi w obwodzie.
Próba zastosowania łącznika krzyżowego w schemacie przeznaczonym dla podwójnego łącznika schodowego doprowadzi do nieprawidłowego działania instalacji, a w najgorszym wypadku może spowodować zwarcie. Zawsze upewnij się, że używasz odpowiedniego typu łącznika do danej konfiguracji.
Montaż krok po kroku: Schemat podłączenia podwójnego łącznika schodowego dla dwóch lamp
Dotarliśmy do serca naszego poradnika – praktycznego montażu. Pamiętaj, aby każdy krok wykonywać z najwyższą starannością i zawsze mieć na uwadze bezpieczeństwo. Poniżej przedstawiam szczegółową instrukcję, która poprowadzi Cię przez proces podłączania podwójnego łącznika schodowego dla dwóch lamp.
Schemat główny: Jak połączyć wszystkie elementy w jedną, sprawną całość?
Najczęściej poszukiwaną informacją jest czytelny schemat graficzny całej instalacji. Ponieważ nie mogę go tutaj narysować, opiszę go słownie, krok po kroku, tak jak wyglądałby idealny diagram. Kluczowe jest zrozumienie, że mamy do czynienia z dwiema niezależnymi instalacjami schodowymi, które dzielą tylko punkt zasilania fazowego w puszce z podwójnym łącznikiem.
- Zasilanie: Przewody zasilające (L – faza, N – neutralny, PE – ochronny) doprowadzone są do pierwszej puszki, w której zamontowany będzie podwójny łącznik schodowy.
- Do lamp: Z tej samej puszki z podwójnym łącznikiem wychodzą przewody do obu lamp. Będą to przewody neutralne (N) i ochronne (PE) dla każdej lampy (prowadzone bezpośrednio) oraz dwa przewody fazowe przełączone – po jednym dla każdej lampy, które wracają do puszki z podwójnym łącznikiem po przejściu przez pojedyncze łączniki.
- Pomiędzy łącznikami: Pomiędzy puszką z podwójnym łącznikiem a puszkami z pojedynczymi łącznikami biegną przewody korespondencyjne. Dla każdego obwodu (czyli dla każdej lampy) potrzebne są dwa przewody korespondencyjne, co daje łącznie cztery przewody korespondencyjne między podwójnym łącznikiem a dwoma pojedynczymi.
- Z pojedynczych łączników do lamp: Z puszek z pojedynczymi łącznikami wychodzą przewody fazowe przełączone, które biegną bezpośrednio do swoich lamp.
Podłączenie w puszce nr 1: Jak prawidłowo podpiąć przewody do podwójnego łącznika schodowego?
To jest miejsce, gdzie zaczynamy łączyć przewody. Pamiętaj o wcześniejszym odłączeniu zasilania!
- Upewnij się, że zasilanie jest odłączone i sprawdź brak napięcia próbnikiem.
- Podłącz przewód fazowy (L), który doprowadza zasilanie, do wspólnego zacisku wejściowego podwójnego łącznika. Ten zacisk jest często oznaczony jako "L" lub strzałką w dół. Jeśli Twój łącznik ma dwa oddzielne zaciski "L" (po jednym dla każdego przełącznika), należy je zmostkować krótkim kawałkiem przewodu fazowego, aby oba przełączniki otrzymały zasilanie.
- Zaciski wyjściowe pierwszego przełącznika w podwójnym łączniku (często oznaczone strzałkami w górę lub cyframi 1, 2) podłącz do dwóch przewodów korespondencyjnych. Te przewody biegną do pierwszego pojedynczego łącznika schodowego, który będzie sterował lampą 1.
- Analogicznie, zaciski wyjściowe drugiego przełącznika w podwójnym łączniku podłącz do kolejnych dwóch przewodów korespondencyjnych. Te przewody biegną do drugiego pojedynczego łącznika schodowego, który będzie sterował lampą 2.
- Starannie zaizoluj wszystkie połączenia i upewnij się, że przewody są dobrze zamocowane w zaciskach. Dobre połączenie to podstawa stabilnej pracy i bezpieczeństwa.
Podłączenie w puszce nr 2: Jak podłączyć dwa pojedyncze łączniki schodowe na drugim końcu?
Teraz zajmiemy się drugim końcem instalacji, gdzie znajdują się pojedyncze łączniki.
- Ponownie, upewnij się, że zasilanie jest odłączone i sprawdź brak napięcia.
- Do pierwszego pojedynczego łącznika schodowego (dla lampy 1) podłącz dwa przewody korespondencyjne, które przyszły z podwójnego łącznika. Podłącz je do zacisków wejściowych (często oznaczonych strzałkami w dół lub cyframi 1, 2).
- Zacisk wyjściowy (często oznaczony "L" lub strzałką w górę) pierwszego pojedynczego łącznika podłącz do przewodu fazowego, który biegnie bezpośrednio do lampy 1. To ten przewód dostarczy prąd do lampy.
- Powtórz kroki 2 i 3 dla drugiego pojedynczego łącznika schodowego (dla lampy 2) i przewodu biegnącego do lampy 2. Upewnij się, że przewody korespondencyjne są przyporządkowane do właściwego łącznika i lampy.
- Starannie zaizoluj wszystkie połączenia.
Finałowe połączenie: Jak poprawnie doprowadzić zasilanie do obu lamp?
Ostatni etap to podłączenie samych lamp. To tutaj obwód się zamyka.
- Upewnij się, że zasilanie jest odłączone i sprawdź brak napięcia.
- Do każdej z lamp doprowadź przewód neutralny (N - niebieski) i ochronny (PE - żółto-zielony). Te przewody powinny być poprowadzone bezpośrednio z rozdzielni lub odpowiedniej puszki rozgałęźnej. Pamiętaj, że te przewody omijają łączniki.
- Do każdej z lamp podłącz również odpowiedni przewód fazowy przełączony, który przyszedł z pojedynczego łącznika schodowego. Upewnij się, że przewód z łącznika sterującego lampą 1 trafia do lampy 1, a z łącznika sterującego lampą 2 do lampy 2.
- Upewnij się, że wszystkie połączenia są solidne i bezpieczne. Sprawdź, czy żadne żyły nie wystają poza zaciski i czy izolacja jest nienaruszona.
Coś poszło nie tak? Najczęstsze błędy montażowe i sposoby ich rozwiązania
Nawet przy największej staranności i precyzji, błędy się zdarzają. To normalne, zwłaszcza przy pracach elektrycznych. Ta sekcja ma na celu pomóc Ci w diagnozowaniu i rozwiązywaniu najczęstszych problemów, oszczędzając czas i frustrację. Zawsze pamiętaj, aby odłączyć zasilanie przed jakąkolwiek interwencją!
Światło nie działa lub działa tylko w jednej kombinacji – jak zdiagnozować problem?
To najczęstsze objawy nieprawidłowego podłączenia.
-
Brak światła w ogóle:
- Sprawdź, czy zasilanie jest włączone w rozdzielni.
- Sprawdź, czy żarówka jest sprawna (może to brzmieć banalnie, ale często to jest przyczyną).
- Upewnij się, że wszystkie połączenia są solidne, zwłaszcza przewód fazowy do wejścia podwójnego łącznika i przewody fazowe do lamp.
- Użyj próbnika napięcia, aby sprawdzić obecność fazy na wejściu podwójnego łącznika. Jeśli jej nie ma, problem leży wcześniej w instalacji.
-
Światło działa tylko z jednego łącznika:
- Może to wskazywać na nieprawidłowe podłączenie przewodów korespondencyjnych lub uszkodzenie jednego z łączników.
- Sprawdź ciągłość przewodów korespondencyjnych (np. multimetrem) oraz poprawność ich podłączenia do obu łączników. Upewnij się, że każda para korespondencyjnych jest podłączona do właściwych zacisków.
-
Światło działa w dziwnych kombinacjach (np. włącza się, gdy powinno wyłączyć):
- Prawdopodobnie pomylone przewody korespondencyjne lub fazowe. Konieczne jest ponowne sprawdzenie schematu i połączeń. Często wystarczy zamienić miejscami dwa przewody korespondencyjne na jednym z łączników.
Brak jednego przewodu w puszce – czy da się uratować sytuację?
To niestety częsty problem w starszych instalacjach lub w przypadku błędnego projektu. Jeśli w ścianie brakuje potrzebnego przewodu (np. tylko trzy przewody zamiast czterech korespondencyjnych, które są niezbędne dla dwóch niezależnych obwodów), sytuacja jest trudniejsza. W większości przypadków brak przewodu oznacza konieczność jego dociągnięcia, co może wiązać się z kuciem ścian i jest pracochłonne. Istnieją alternatywne, choć droższe, rozwiązania. Można rozważyć zastosowanie łączników bezprzewodowych (radiowych), które komunikują się ze sobą bez potrzeby fizycznego okablowania. Inna opcja to systemy smart home, które pozwalają na programowanie scenariuszy oświetleniowych i sterowanie lampami za pomocą aplikacji lub paneli dotykowych, symulując funkcjonalność łącznika schodowego bez dodatkowego okablowania. Należy jednak pamiętać, że te rozwiązania wykraczają poza zakres niniejszego poradnika, który skupia się na tradycyjnej instalacji przewodowej.
Przeczytaj również: 3 kable z sufitu, 2 w lampie - Jak podłączyć bezpiecznie?
Pomylone przewody korespondencyjne – objawy i szybka naprawa
Pomylenie przewodów korespondencyjnych objawia się tym, że światło włącza się/wyłącza w sposób nieprzewidywalny lub niezgodny z logiką schodową (np. włączasz na dole, a na górze nie możesz wyłączyć, albo włączasz jedną lampę, a zapala się druga).
- Odłącz zasilanie – to absolutna podstawa.
- Otwórz puszki z łącznikami, zarówno z podwójnym, jak i pojedynczymi.
- Oznacz przewody korespondencyjne na obu końcach (np. taśmą izolacyjną w różnych kolorach), aby upewnić się, które z nich są parą i do którego obwodu należą.
- Popraw połączenia zgodnie ze schematem, upewniając się, że każda para przewodów korespondencyjnych łączy się z odpowiednimi zaciskami na obu łącznikach schodowych. Często wystarczy zamienić miejscami dwa przewody korespondencyjne na jednym z łączników, aby przywrócić prawidłowe działanie.
Test końcowy: Jak sprawdzić poprawność i bezpieczeństwo gotowej instalacji?
Po zakończeniu wszystkich prac montażowych i upewnieniu się, że połączenia są prawidłowe, nadszedł czas na najważniejszy etap – testowanie. To ostatni, ale równie ważny krok, który potwierdzi poprawność i bezpieczeństwo Twojej nowej instalacji.
- Włącz zasilanie: Po upewnieniu się, że wszystkie połączenia są prawidłowe i bezpiecznie zaizolowane, możesz włączyć główny wyłącznik prądu lub odpowiednie bezpieczniki.
-
Test każdej lampy indywidualnie:
- Najpierw włącz i wyłącz pierwszą lampę z podwójnego łącznika, a następnie z odpowiadającego jej pojedynczego łącznika.
- Powtórz to samo dla drugiej lampy.
- Sprawdź, czy każda lampa reaguje poprawnie na przełączanie z obu miejsc i czy działa niezależnie od drugiej.
- Test wszystkich kombinacji: Sprawdź różne kombinacje włączania i wyłączania obu lamp z obu miejsc. Upewnij się, że działają niezależnie i zgodnie z oczekiwaniami, bez żadnych niespodzianek.
- Sprawdzenie bezpieczeństwa: Podczas testów zwróć uwagę, czy nie ma żadnych niepokojących dźwięków (np. iskrzenia), czy nie czuć zapachu spalenizny, ani czy łączniki nie nagrzewają się nadmiernie. Jeśli cokolwiek budzi Twoje wątpliwości, natychmiast odłącz zasilanie i skonsultuj się z wykwalifikowanym elektrykiem. Nie ryzykuj!
Zgodnie z informacjami ekspertów, prawidłowo wykonana instalacja z podwójnym łącznikiem schodowym zapewnia komfort i bezpieczeństwo użytkowania na długie lata.
