W dzisiejszych czasach, gdy projektujemy nowoczesne przestrzenie mieszkalne czy biurowe, coraz większy nacisk kładziemy na elastyczność i wygodę sterowania oświetleniem. Potrójny wyłącznik krzyżowy to zaawansowane rozwiązanie, które pozwala na zarządzanie aż trzema niezależnymi obwodami światła z wielu punktów. To nie tylko kwestia komfortu, ale i funkcjonalności, która znacząco podnosi jakość użytkowania przestrzeni. W tym artykule przeprowadzimy Cię przez tajniki jego instalacji, od podstawowych definicji, przez szczegółowe schematy, aż po praktyczne wskazówki dotyczące montażu i unikania najczęstszych błędów. Przygotuj się na solidną dawkę wiedzy, która pozwoli Ci zrealizować nawet najbardziej ambitne projekty oświetleniowe.
Potrójny wyłącznik krzyżowy – mistrz sterowania trzema obwodami światła z wielu miejsc
- Potrójny wyłącznik krzyżowy to moduł z trzema niezależnymi mechanizmami, służący do sterowania trzema obwodami oświetleniowymi z więcej niż dwóch miejsc.
- Jest idealny do dużych przestrzeni lub wielopoziomowych ciągów komunikacyjnych, gdzie wymagana jest elastyczna kontrola nad oświetleniem.
- Do pełnego układu potrzebne są dwa potrójne łączniki schodowe oraz jeden potrójny łącznik krzyżowy.
- Instalacja wymaga dokładnego planowania i prowadzenia dużej liczby przewodów korespondencyjnych między łącznikami.
- Kluczowe jest bezwzględne przestrzeganie zasad bezpieczeństwa elektrycznego, w tym odłączenie zasilania przed rozpoczęciem prac.

Pełna kontrola nad światłem w całym domu: Kiedy potrójny wyłącznik krzyżowy jest niezbędny?
Potrójny wyłącznik krzyżowy to rozwiązanie dla zaawansowanych potrzeb sterowania oświetleniem, oferujące niezrównaną wygodę i funkcjonalność w nowoczesnych instalacjach. Pozwala on na precyzyjne zarządzanie atmosferą i funkcjonalnością różnych stref w pomieszczeniu, co jest szczególnie cenne w otwartych planach architektonicznych i na rozległych przestrzeniach.
Czym jest i do czego służy wyłącznik krzyżowy potrójny?
Potrójny wyłącznik krzyżowy to zaawansowany element osprzętu elektroinstalacyjnego, który w jednej obudowie zawiera trzy niezależne mechanizmy łączników krzyżowych. Jego głównym zadaniem jest umożliwienie sterowania trzema oddzielnymi obwodami oświetleniowymi z więcej niż dwóch miejsc. Oznacza to, że możemy włączać i wyłączać światło w trzech różnych strefach, z dowolnego punktu w ramach danej instalacji, co znacząco zwiększa komfort użytkowania.
Praktyczne scenariusze: Gdzie taka instalacja sprawdzi się najlepiej?
Zastosowanie potrójnego wyłącznika krzyżowego jest kluczowe w sytuacjach, gdy chcemy mieć pełną kontrolę nad oświetleniem w złożonych przestrzeniach. Idealnie sprawdzi się w dużych, otwartych przestrzeniach, takich jak salon połączony z jadalnią i kuchnią. Wyobraźmy sobie możliwość włączenia światła w kuchni, a następnie wyłączenia go z salonu, jednocześnie sterując oświetleniem nad stołem jadalnianym – wszystko z jednego, centralnego miejsca lub z dowolnego innego punktu w pomieszczeniu. Podobnie, w wielopoziomowych ciągach komunikacyjnych, takich jak klatki schodowe w domach piętrowych czy długie korytarze, potrójny wyłącznik krzyżowy pozwala na wygodne zarządzanie oświetleniem na różnych kondygnacjach lub w różnych sekcjach korytarza. Dzięki temu nie musimy wracać do konkretnego miejsca, aby zgasić lub zapalić światło, co jest nie tylko wygodne, ale i bezpieczne.

Fundamenty sterowania oświetleniem: Co musisz wiedzieć, zanim zaczniesz montaż?
Zanim zagłębimy się w szczegółowe schematy podłączenia, kluczowe jest zrozumienie podstawowych komponentów i logiki działania układów sterowania oświetleniem. To pozwoli nam na świadome i poprawne wykonanie instalacji, unikając typowych błędów.
Różnice, które mają znaczenie: Wyłącznik pojedynczy, schodowy i krzyżowy w pigułce
Aby w pełni zrozumieć działanie potrójnego wyłącznika krzyżowego, warto przypomnieć sobie podstawowe typy wyłączników i ich funkcje. Poniższa tabela przedstawia kluczowe różnice:
| Typ wyłącznika | Funkcja | Liczba punktów sterowania | Typowe zastosowanie |
|---|---|---|---|
| Pojedynczy | Włącza/wyłącza jeden obwód z jednego miejsca | 1 | Pojedyncze pomieszczenia (np. łazienka, spiżarnia) |
| Schodowy | Włącza/wyłącza jeden obwód z dwóch miejsc | 2 | Korytarze, klatki schodowe, sypialnie z dwoma wejściami |
| Krzyżowy | Włącza/wyłącza jeden obwód z więcej niż dwóch miejsc (zawsze w połączeniu ze schodowymi) | 3 lub więcej | Duże pomieszczenia, długie korytarze, rozległe przestrzenie |
Jak widać, wyłącznik krzyżowy zawsze działa w połączeniu z wyłącznikami schodowymi, stanowiąc element rozszerzający możliwości sterowania na więcej niż dwa punkty.
Zasada działania łańcucha schodowo-krzyżowego: Logika połączeń dla początkujących
Podstawowa zasada działania układu schodowo-krzyżowego dla pojedynczego obwodu jest prosta: przewód fazowy przechodzi przez pierwszy wyłącznik schodowy, następnie przez jeden lub więcej wyłączników krzyżowych, a na końcu przez drugi wyłącznik schodowy, z którego doprowadzany jest do źródła światła. Schemat wygląda następująco: Wyłącznik schodowy nr 1 → Wyłącznik krzyżowy → Wyłącznik schodowy nr 2. Kluczową rolę odgrywają tutaj przewody korespondencyjne, które łączą poszczególne łączniki i odpowiadają za przekazywanie sygnału o zmianie stanu. W przypadku potrójnego wyłącznika krzyżowego, ten sam schemat jest po prostu zwielokrotniony trzykrotnie – dla każdego z trzech niezależnych obwodów oświetleniowych.
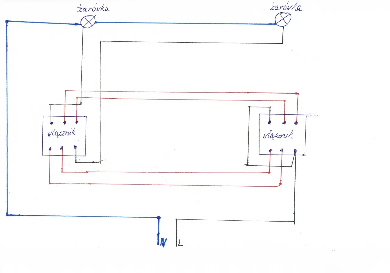
Klucz do sukcesu: Szczegółowy schemat podłączenia wyłącznika krzyżowego potrójnego
Dotarliśmy do najważniejszej części, która dostarczy Ci precyzyjnych schematów niezbędnych do prawidłowego podłączenia. Zrozumienie ich jest absolutnie kluczowe dla sukcesu instalacji.
Schemat ideowy: Jak połączyć trzy niezależne obwody w jednym systemie?
W schemacie ideowym dla potrójnego wyłącznika krzyżowego, przewód fazowy (L) doprowadzamy do pierwszego łącznika schodowego potrójnego. Z niego wychodzi sześć przewodów korespondencyjnych (po dwa dla każdego z trzech obwodów), które biegną do wejść potrójnego łącznika krzyżowego. Następnie, z wyjść łącznika krzyżowego, kolejne sześć przewodów korespondencyjnych biegnie do drugiego łącznika schodowego potrójnego. Dopiero z tego ostatniego łącznika schodowego, trzy niezależne przewody fazowe są kierowane bezpośrednio do trzech niezależnych źródeł światła (lamp). Należy pamiętać, że przewody neutralne (N) i ochronne (PE) omijają wszystkie łączniki i są prowadzone bezpośrednio do opraw oświetleniowych, zapewniając bezpieczeństwo i prawidłowe działanie obwodu.
Schemat montażowy: Rozrysowanie przewodów w puszkach krok po kroku
Praktyczne rozmieszczenie przewodów w puszkach instalacyjnych jest znacznie bardziej złożone niż schemat ideowy. Dla każdego z trzech obwodów krzyżowych potrzebujemy minimum 4 żył między łącznikami. Oznacza to, że między pierwszym łącznikiem schodowym potrójnym a potrójnym łącznikiem krzyżowym, a także między łącznikiem krzyżowym a drugim łącznikiem schodowym potrójnym, musimy poprowadzić przewody wielożyłowe, zawierające odpowiednio 6 żył korespondencyjnych (po dwie dla każdego obwodu) plus ewentualnie żyłę fazową zasilającą łącznik schodowy. To wymaga precyzyjnego planowania i często zastosowania przewodów o przekroju 3x1.5mm² lub 4x1.5mm² dla fazy i korespondencji, a także oddzielnych przewodów dla N i PE. Według ekspertów branżowych, prawidłowe zaplanowanie okablowania jest kluczowe, aby uniknąć problemów w przyszłości.
Oznaczenia na kostce, które musisz zrozumieć: Jak czytać symbole na wyłączniku?
Zrozumienie oznaczeń na kostkach wyłączników jest fundamentalne dla prawidłowego podłączenia. Typowe symbole, z którymi się spotkamy, to:
- L (lub strzałka wchodząca): Oznacza wejście przewodu fazowego. W przypadku łącznika schodowego nr 1, tutaj podłączamy fazę zasilającą.
- 1, 2 (lub strzałki wychodzące): To zaciski, do których podłączamy przewody korespondencyjne. W łączniku schodowym nr 1, z tych zacisków wychodzą przewody do łącznika krzyżowego. W łączniku krzyżowym, zaciski wejściowe i wyjściowe są często oznaczane parami (np. 1-1', 2-2' lub strzałki wchodzące i wychodzące), wskazując, które przewody korespondencyjne należy połączyć.
- Strzałki krzyżujące się: Często występują na łącznikach krzyżowych, symbolizując ich wewnętrzną funkcję przełączania.
Należy zawsze dokładnie sprawdzić instrukcję producenta, ponieważ oznaczenia mogą się nieznacznie różnić. Jednak ogólna zasada jest taka, że zaciski wejściowe (faza, korespondencja z poprzedniego łącznika) są odseparowane od wyjściowych (korespondencja do następnego łącznika, faza do lampy).
Montaż krok po kroku: Jak bezpiecznie i poprawnie zrealizować instalację?
Przechodzimy teraz do praktycznej części, która wymaga skupienia i metodycznego podejścia. Pamiętaj, że bezpieczeństwo jest zawsze priorytetem podczas pracy z instalacją elektryczną.
Bezpieczeństwo przede wszystkim: Lista kontrolna przed rozpoczęciem pracy z prądem
Praca z prądem jest potencjalnie niebezpieczna i wymaga najwyższej ostrożności. Zawsze stosuj się do poniższej listy kontrolnej:
- Odłącz zasilanie główne: Przed rozpoczęciem jakichkolwiek prac, bezwzględnie wyłącz główny wyłącznik prądu w rozdzielnicy.
- Zweryfikuj brak napięcia: Użyj próbnika napięcia, aby upewnić się, że w obwodzie nie ma prądu. Sprawdź każdy przewód, z którym będziesz pracować.
- Używaj narzędzi izolowanych: Wszystkie narzędzia (śrubokręty, szczypce) powinny posiadać atestowaną izolację.
- Unikaj pracy w wilgotnym środowisku: Woda i prąd to śmiertelne połączenie. Upewnij się, że miejsce pracy jest suche.
- Nie pracuj w pośpiechu: Pośpiech jest złym doradcą. Działaj metodycznie i z rozwagą.
Podłączanie potrójnego łącznika schodowego nr 1 (początek układu)
To jest punkt startowy naszej instalacji. Do pierwszego potrójnego łącznika schodowego doprowadzamy przewód fazowy (L) z zasilania. Podłączamy go do zacisku oznaczonego jako wejście fazowe (często L lub strzałka wchodząca). Następnie, z zacisków korespondencyjnych (często oznaczonych jako 1 i 2 dla każdego obwodu), wyprowadzamy sześć przewodów korespondencyjnych (po dwa dla każdego z trzech obwodów). Te przewody będą prowadziły sygnał do potrójnego łącznika krzyżowego. Ważne jest, aby dokładnie zapamiętać lub oznaczyć, która para przewodów korespondencyjnych odpowiada za który obwód.Podłączanie potrójnego łącznika krzyżowego (środek układu)
Potrójny łącznik krzyżowy jest sercem naszego systemu. Do jego zacisków wejściowych podłączamy sześć przewodów korespondencyjnych, które przyszły od pierwszego łącznika schodowego. Należy tutaj zachować szczególną ostrożność, aby prawidłowo przyporządkować każdą parę przewodów do odpowiedniego obwodu. Z zacisków wyjściowych łącznika krzyżowego wyprowadzamy kolejne sześć przewodów korespondencyjnych, które będą prowadziły sygnał do drugiego potrójnego łącznika schodowego. Ponownie, kluczowe jest utrzymanie spójności w przyporządkowaniu obwodów.
Podłączanie potrójnego łącznika schodowego nr 2 (koniec układu)
Drugi potrójny łącznik schodowy to ostatni element w łańcuchu sterowania. Do jego zacisków wejściowych podłączamy sześć przewodów korespondencyjnych, które przyszły od łącznika krzyżowego. Z kolei z zacisków wyjściowych tego łącznika (często również oznaczonych jako L lub strzałka wychodząca, ale dla każdego z trzech obwodów oddzielnie), wyprowadzamy trzy przewody fazowe. To właśnie te przewody będą bezpośrednio zasilać nasze trzy lampy lub grupy lamp. Z tego łącznika następuje finalne załączenie zasilania do opraw oświetleniowych.
Finalizacja instalacji: Podłączenie lamp i przewodów N oraz PE
Ostatnim etapem jest podłączenie trzech przewodów fazowych, wychodzących z drugiego łącznika schodowego, do odpowiednich opraw oświetleniowych. Niezwykle ważne jest również prawidłowe podłączenie przewodów neutralnych (N) i ochronnych (PE). Pamiętaj, że przewody N i PE zawsze omijają łączniki i są prowadzone bezpośrednio do opraw oświetleniowych, gdzie są podłączane do odpowiednich zacisków. Po zakończeniu wszystkich połączeń, przed ponownym włączeniem zasilania, bezwzględnie sprawdź poprawność wszystkich połączeń. Upewnij się, że wszystkie przewody są solidnie zamocowane w zaciskach i nie ma żadnych luźnych połączeń. Dopiero po tej weryfikacji możesz bezpiecznie uruchomić instalację i przetestować jej działanie.
Najczęstsze błędy montażowe i jak ich skutecznie unikać
Nawet doświadczonym elektrykom zdarzają się pomyłki, zwłaszcza przy tak złożonych instalacjach. Znając najczęstsze błędy, możemy ich skutecznie unikać i zaoszczędzić sobie sporo czasu i frustracji.
Problem: "Jeden z obwodów nie działa" – typowe przyczyny i rozwiązania
Jeśli po podłączeniu jeden z obwodów oświetleniowych nie działa, najczęstszymi przyczynami są: luźne połączenie na którymś z zacisków, błędne podłączenie przewodu fazowego (np. pomylenie go z korespondencyjnym) lub uszkodzony łącznik. Rozwiązanie problemu zazwyczaj polega na:
- Sprawdzeniu wszystkich połączeń: Upewnij się, że każdy przewód jest solidnie dokręcony w odpowiednim zacisku.
- Weryfikacji ciągłości przewodów: Za pomocą miernika ciągłości sprawdź, czy przewody nie są przerwane.
- Sprawdzeniu poprawności podłączenia fazy: Upewnij się, że przewód fazowy (L) jest podłączony tylko do odpowiedniego zacisku w pierwszym łączniku schodowym, a następnie do lampy z drugiego łącznika schodowego.
Problem: "Za mało żył w przewodzie" – jak zaplanować okablowanie z wyprzedzeniem?
To bardzo częsty problem, zwłaszcza w starszych instalacjach lub przy niedokładnym projekcie. Dla pojedynczego obwodu krzyżowego potrzebne są co najmniej 4 żyły (dwie pary korespondencyjne). W przypadku potrójnego wyłącznika krzyżowego, między łącznikami schodowymi a krzyżowym, potrzebujemy minimum 6 żył korespondencyjnych (po dwie dla każdego z trzech obwodów). Zawsze zalecam staranne planowanie okablowania na etapie projektu, z uwzględnieniem pewnego zapasu żył. Lepiej mieć jedną żyłę więcej niż jedną mniej, ponieważ jej brak może wymusić kucie ścian i prowadzenie nowych przewodów, co generuje dodatkowe koszty i utrudnienia.
Problem: "Wyłączniki działają nielogicznie" – jak zdiagnozować pomyłkę w przewodach korespondencyjnych?
Nielogiczne działanie wyłączników, np. gdy jeden włącza światło, a drugi je wyłącza, ale po kolejnym przełączeniu sytuacja się odwraca, jest niemal zawsze spowodowane pomyłką w podłączeniu przewodów korespondencyjnych. Najczęściej dzieje się tak, gdy pary przewodów korespondencyjnych zostaną zamienione miejscami między łącznikami. Aby to zdiagnozować, należy:
- Odłączyć zasilanie i sprawdzić połączenia na każdym łączniku.
- Użyć miernika ciągłości: Sprawdź, czy przewody z zacisku "1" pierwszego łącznika schodowego faktycznie trafiają do odpowiedniego zacisku "1" łącznika krzyżowego, a następnie do zacisku "1" drugiego łącznika schodowego dla każdego obwodu. To samo dotyczy zacisków "2".
- Oznaczać przewody: Już na etapie układania instalacji warto oznaczać przewody (np. kolorową taśmą), aby uniknąć pomyłek.
Czy istnieją alternatywy? Porównanie z systemami inteligentnego domu
W dobie rosnącej popularności inteligentnych rozwiązań, naturalnie pojawia się pytanie o alternatywy dla tradycyjnych instalacji. Czy potrójny wyłącznik krzyżowy ma jeszcze rację bytu w obliczu dynamicznego rozwoju smart home?
Klasyczna niezawodność kontra cyfrowa elastyczność: Przekaźniki Wi-Fi (np. Shelly, Sonoff)
Tradycyjna instalacja z potrójnym wyłącznikiem krzyżowym oferuje klasyczną niezawodność. Jest to system czysto mechaniczny, który działa niezależnie od sieci Wi-Fi, internetu czy serwerów. Jego prostota przekłada się na długowieczność i odporność na awarie cyfrowe. Z drugiej strony, rozwiązania inteligentnego domu, takie jak przekaźniki Wi-Fi (np. Shelly, Sonoff), oferują nieporównywalną elastyczność. Pozwalają na sterowanie oświetleniem za pomocą smartfona, głosu, harmonogramów, a także integrację z innymi urządzeniami smart home. Możemy tworzyć złożone sceny świetlne, automatyzować włączanie i wyłączanie światła w zależności od pory dnia czy obecności domowników. Główną wadą jest tutaj zależność od stabilności sieci Wi-Fi i potencjalne problemy z kompatybilnością. Jak wskazują specjaliści, wybór między systemem tradycyjnym a inteligentnym zależy od indywidualnych potrzeb i budżetu projektu.
Przeczytaj również: Jak podłączyć wyłącznik schodowy 3 przewody - Schemat i montaż
Koszty i złożoność: Kiedy tradycyjna instalacja jest wciąż najlepszym wyborem?
Analizując czynniki kosztów i złożoności, tradycyjna instalacja z potrójnym wyłącznikiem krzyżowym może być nadal preferowanym wyborem w kilku scenariuszach. Po pierwsze, niższe koszty początkowe – sam osprzęt jest zazwyczaj tańszy niż moduły smart home. Po drugie, brak zależności od sieci Wi-Fi i innych technologii cyfrowych oznacza, że system będzie działał niezawodnie nawet w przypadku awarii internetu. Po trzecie, prostota obsługi dla osób niezaznajomionych z technologią – tradycyjne wyłączniki są intuicyjne dla każdego. Wreszcie, w miejscach, gdzie niezawodność mechaniczna jest absolutnym priorytetem, np. w budynkach użyteczności publicznej czy w instalacjach przemysłowych, tradycyjne rozwiązania często są wybierane ze względu na ich sprawdzoną trwałość i odporność na zakłócenia.
