W dzisiejszych czasach, gdy wygoda i bezpieczeństwo stają się priorytetem w naszych domach, coraz częściej poszukujemy rozwiązań, które ułatwią nam codzienne funkcjonowanie. Jednym z takich sprytnych, choć często niedocenianych elementów instalacji elektrycznej, jest włącznik schodowy. Pozwala on na sterowanie oświetleniem z wielu miejsc, co jest nieocenione w wielu sytuacjach. Jako osoba, która spędziła wiele godzin na projektowaniu i montażu różnorodnych instalacji, mogę śmiało powiedzieć, że zrozumienie zasady działania tego typu łącznika to podstawa dla każdego, kto chce mieć pełną kontrolę nad oświetleniem w swoim otoczeniu. W tym artykule zabiorę Cię w podróż po świecie włączników schodowych – od ich budowy, przez szczegółowe schematy podłączenia, aż po nowoczesne, bezprzewodowe alternatywy.
Włącznik schodowy – klucz do sterowania światłem z wielu miejsc
- Włącznik schodowy umożliwia sterowanie jednym punktem świetlnym z dwóch lub więcej lokalizacji, różniąc się od klasycznego przełączaniem, a nie przerywaniem obwodu.
- Podstawowy układ wymaga dwóch łączników schodowych, a do sterowania z więcej niż dwóch miejsc używa się dodatkowo łączników krzyżowych.
- Przewód fazowy (L) doprowadzany jest do pierwszego łącznika, a przewody korespondencyjne łączą go z kolejnymi, zanim faza trafi do lampy.
- Wyróżnia się włączniki schodowe pojedyncze (standard) oraz podwójne (sterowanie dwoma niezależnymi obwodami).
- Najczęstsze błędy to podłączenie przewodu neutralnego do włącznika lub pomylenie przewodów fazowych z korespondencyjnymi.
- Alternatywą są bezprzewodowe systemy (np. ZigBee, Wi-Fi), które eliminują potrzebę prowadzenia dodatkowych przewodów.

Dlaczego zwykły włącznik światła to czasem za mało? Wprowadzenie do sterowania oświetleniem
Standardowy włącznik, choć prosty i skuteczny w swojej podstawowej funkcji, ma swoje wyraźne ograniczenia. Pozwala on na włączenie lub wyłączenie światła tylko z jednego, ściśle określonego miejsca. W wielu sytuacjach, zwłaszcza w większych domach, na klatkach schodowych czy w długich korytarzach, takie rozwiązanie jest po prostu niewygodne, a w skrajnych przypadkach może być nawet niebezpieczne, zmuszając nas do poruszania się w ciemności i narażania się na potknięcia czy upadki. Właśnie w takich momentach zaczynamy doceniać rozwiązania, które oferują nam większą elastyczność i kontrolę.
Kiedy wygoda i bezpieczeństwo wymagają czegoś więcej niż standardowego pstryczka?
Wyobraź sobie sytuację, w której musisz przejść przez długi korytarz. Włączasz światło na początku, ale po przejściu na drugi koniec musisz albo wracać, żeby je zgasić, albo zostawić je zapalone. To samo dotyczy klatki schodowej – włączasz światło na dole, wchodzisz na górę i znów musisz wracać, by je wyłączyć. To nie tylko kwestia wygody, ale przede wszystkim bezpieczeństwa. Poruszanie się po schodach czy w ciemnym korytarzu bez odpowiedniego oświetlenia to prosta droga do wypadku. Dlatego w miejscach takich jak schody, długie korytarze, duże pokoje z kilkoma wejściami, a także w piwnicach czy garażach, jednopunktowe sterowanie światłem jest po prostu niewystarczające. Potrzebujemy rozwiązania, które pozwoli nam włączyć światło tam, gdzie go potrzebujemy, i wyłączyć je, gdy już z niego nie korzystamy, niezależnie od naszej aktualnej pozycji.
Gdzie najczęściej spotkasz potrzebę włączania światła z dwóch różnych miejsc?
Potrzeba sterowania oświetleniem z więcej niż jednego miejsca jest powszechna w wielu typach budynków i pomieszczeń. Oto najczęstsze miejsca, gdzie instalacja włącznika schodowego jest standardem lub bardzo pożądana:
- Klatki schodowe (na dole i na górze)
- Długie korytarze (na początku i na końcu)
- Pokoje z dwoma wejściami (np. salon z wyjściem na taras)
- Sypialnie (przy drzwiach i przy łóżku)
- Garaże z dwoma wejściami
Tajemnica włącznika schodowego: Jak to działa, że działa?
Włącznik schodowy, technicznie nazywany łącznikiem schodowym, to element instalacji elektrycznej umożliwiający sterowanie jednym punktem świetlnym (lub grupą punktów) z dwóch różnych miejsc. Jego działanie jest kluczowe dla komfortu i bezpieczeństwa w wielu instalacjach domowych. W przeciwieństwie do zwykłego włącznika, który po prostu przerywa obwód, włącznik schodowy "przełącza" go między dwoma ścieżkami, co jest fundamentalną różnicą w jego funkcjonowaniu.
Czym włącznik schodowy różni się od tego, który znasz? Rzut oka na budowę wewnętrzną
Podstawowa różnica, którą od razu zauważysz, to liczba zacisków. Standardowy włącznik pojedynczy ma zazwyczaj dwa zaciski – jeden dla przewodu fazowego wejściowego i jeden dla przewodu fazowego wyjściowego do lampy. Włącznik schodowy natomiast posiada trzy zaciski: jeden wejściowy (na przewód fazowy) i dwa wyjściowe, które nazywamy korespondencyjnymi. Dzięki tej dodatkowej parze zacisków, włącznik schodowy może przekierowywać prąd na jedną z dwóch ścieżek, co jest kluczem do jego "przełączającej" funkcji.
Zasada działania krok po kroku: Magia "przełączania" obwodu zamiast jego przerywania
Zrozumienie zasady działania włącznika schodowego jest prostsze, niż mogłoby się wydawać, jeśli pomyślimy o nim jak o zwrotnicy na torach kolejowych. Zamiast otwierać lub zamykać tor, on po prostu przekierowuje pociąg na inną ścieżkę. Oto jak to działa krok po kroku:
- Przewód fazowy (L) doprowadzany jest do zacisku wejściowego pierwszego łącznika.
- Od tego łącznika odchodzą dwa przewody korespondencyjne, które są podłączone do drugiego łącznika schodowego.
- Z zacisku wyjściowego drugiego łącznika faza prowadzona jest do oprawy oświetleniowej.
- Każde naciśnięcie klawisza w dowolnym z dwóch włączników powoduje zmianę toru przepływu prądu, a tym samym zmianę stanu oświetlenia (włączony/wyłączony). Oznacza to, że jeśli prąd płynął jedną ścieżką i światło było włączone, naciśnięcie włącznika spowoduje przełączenie na drugą ścieżkę, przerywając obwód do lampy i wyłączając światło. Jeśli światło było wyłączone, naciśnięcie włącznika ponownie zamknie obwód, włączając je.
Kluczowe pojęcia, które musisz znać: przewód fazowy, korespondencyjny i neutralny
Aby swobodnie poruszać się w świecie instalacji elektrycznych, warto znać podstawową terminologię. Oto kluczowe pojęcia, które pojawią się w kontekście włączników schodowych:
- Przewód fazowy (L): Przewód pod napięciem, doprowadzający prąd do instalacji. Zazwyczaj ma kolor brązowy, czarny lub szary.
- Przewód neutralny (N): Przewód zamykający obwód, odprowadzający prąd z odbiornika. Zawsze ma kolor niebieski.
- Przewód ochronny (PE): Przewód bezpieczeństwa, chroniący przed porażeniem w przypadku awarii. Zawsze ma kolor żółto-zielony.
- Przewody korespondencyjne: Dwa przewody łączące ze sobą włączniki schodowe, służące do "przekazywania" sygnału między nimi. To one są sercem układu schodowego, umożliwiając przełączanie obwodu.
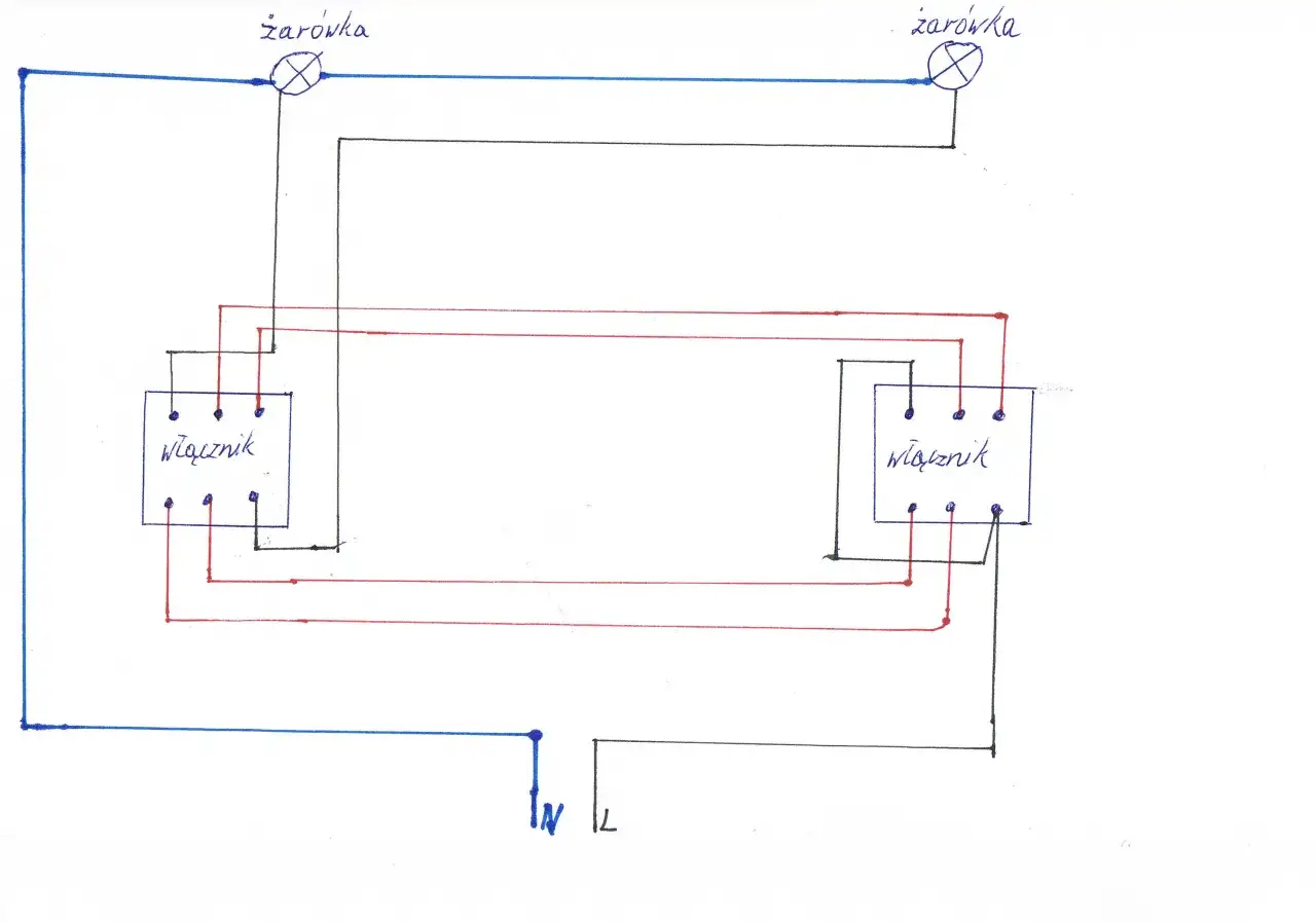
Schemat podłączenia włącznika schodowego – Twój plan działania
Podkreślam zawsze, że choć schematy elektryczne mogą wydawać się na pierwszy rzut oka skomplikowane i odstraszające, zrozumienie podstawowego układu włącznika schodowego jest w zasięgu każdego majsterkowicza. Kluczem do sukcesu jest zachowanie ostrożności, precyzji i przede wszystkim – przestrzeganie zasad bezpieczeństwa. Pamiętaj, że praca z elektrycznością wymaga szacunku i odpowiedzialności.
Instrukcja dla laika: Jak czytać schemat i nie pomylić przewodów?
Zanim przystąpisz do pracy, spójrz na schemat. Przewody elektryczne mają zazwyczaj różne kolory, które nie są przypadkowe i stanowią międzynarodowy standard. Brązowy, czarny lub szary to zazwyczaj faza (L), niebieski to przewód neutralny (N), a żółto-zielony to przewód ochronny (PE). Zaciski włączników są często oznaczone literami (np. L, 1, 2) lub strzałkami wskazującymi kierunek przepływu prądu. Zacisk "L" lub strzałka wchodząca oznacza wejście fazy, natomiast numery (1, 2) lub strzałki wychodzące to zaciski korespondencyjne. Moja rada: zawsze sprawdzaj oznaczenia na samym włączniku, a w razie wątpliwości, posłuż się instrukcją producenta. Dokładność i unikanie pośpiechu to Twoi najlepsi sprzymierzeńcy.
Podstawowy układ na dwa włączniki: Wizualizacja połączeń krok po kroku
Oto szczegółowa instrukcja podłączenia dwóch włączników schodowych. Zwróć uwagę na to, że przewody neutralny (N) i ochronny (PE) prowadzi się bezpośrednio do lampy, z pominięciem łączników. Według danych Citrono.pl, to kluczowy aspekt prawidłowej i bezpiecznej instalacji.
- Doprowadź przewód fazowy (L) do zacisku wejściowego (oznaczonego często jako L lub strzałka wejściowa) pierwszego łącznika schodowego.
- Podłącz dwa przewody korespondencyjne do pozostałych dwóch zacisków pierwszego łącznika (często oznaczonych jako 1 i 2).
- Poprowadź te dwa przewody korespondencyjne do drugiego łącznika schodowego i podłącz je do jego zacisków korespondencyjnych (również 1 i 2).
- Z zacisku wyjściowego (L lub strzałka wyjściowa) drugiego łącznika schodowego poprowadź przewód fazowy do oprawy oświetleniowej.
- Podłącz przewód neutralny (N) i ochronny (PE) bezpośrednio do oprawy oświetleniowej, omijając oba łączniki.
Jakie przewody i narzędzia będą Ci potrzebne? Lista zakupów dla majsterkowicza
Przygotowanie to podstawa. Oto lista niezbędnych narzędzi i materiałów, które przydadzą Ci się podczas montażu:
| Element | Opis / Przeznaczenie |
|---|---|
| Dwa łączniki schodowe | Główne elementy sterujące. |
| Przewody elektryczne | Faza (L), neutralny (N), ochronny (PE), korespondencyjne (np. YDYp 3x1.5mm² lub 4x1.5mm²). |
| Wkrętaki | Płaski i krzyżakowy, do montażu włączników i zacisków. |
| Próbnik napięcia | Do sprawdzenia obecności napięcia i identyfikacji fazy. |
| Ściągacz izolacji / Nóż monterski | Do przygotowania końcówek przewodów. |
| Szczypce uniwersalne / boczne | Do cięcia i formowania przewodów. |
| Puszki instalacyjne | Do montażu włączników. |
| Taśma izolacyjna | Do zabezpieczania połączeń. |
| Miernik uniwersalny (opcjonalnie) | Do bardziej zaawansowanych pomiarów i diagnostyki. |
Jeden problem, wiele rozwiązań: Jaki typ włącznika schodowego wybrać?
Rynek oferuje różne warianty włączników schodowych, dostosowane do specyficznych potrzeb użytkownika i złożoności instalacji. Wybór odpowiedniego typu jest kluczowy dla funkcjonalności i estetyki. Pozwól, że omówię te warianty, aby pomóc Ci dokonać świadomego wyboru, który będzie najlepiej pasował do Twojego projektu.
Włącznik schodowy pojedynczy – klasyka w najczystszej postaci
To jest standardowy włącznik schodowy, który steruje jednym obwodem oświetleniowym. Jest to najczęściej spotykany typ i idealnie sprawdza się w podstawowych zastosowaniach, takich jak klatki schodowe, korytarze czy przejścia. Jego prostota i niezawodność sprawiają, że jest to wybór numer jeden dla większości domowych instalacji. Jeśli potrzebujesz sterować jedną lampą z dwóch miejsc, to właśnie ten typ będzie dla Ciebie odpowiedni.
Włącznik schodowy podwójny: Kiedy chcesz sterować dwoma lampami niezależnie?
Włącznik schodowy podwójny to bardzo praktyczne rozwiązanie, które w jednej obudowie zawiera dwa niezależne mechanizmy łącznika schodowego. Oznacza to, że możesz sterować dwoma różnymi obwodami oświetleniowymi z dwóch miejsc, używając tylko jednego, podwójnego włącznika. Pomyśl o sypialni, gdzie chcesz włączać główne oświetlenie i kinkiety przy łóżku niezależnie, zarówno przy drzwiach, jak i leżąc w łóżku. Albo duży salon, gdzie potrzebujesz sterować dwoma niezależnymi źródłami światła z różnych punktów. Taki włącznik pozwala na oszczędność miejsca na ścianie i upraszcza estetykę instalacji.
Co zrobić, gdy dwa punkty sterowania to za mało? Poznaj włącznik krzyżowy
Często zdarza się, że dwa punkty sterowania oświetleniem to za mało. W długich korytarzach, na klatkach schodowych z wieloma półpiętrami, czy w pomieszczeniach z trzema lub więcej wejściami, potrzebujemy większej elastyczności. Właśnie wtedy do gry wchodzi włącznik krzyżowy – rozwiązanie dla bardziej złożonych instalacji, które jest naturalnym rozszerzeniem podstawowego układu schodowego.
Jak działa włącznik krzyżowy i jaką rolę odgrywa w instalacji?
Włącznik krzyżowy posiada cztery zaciski i jego zadaniem jest "krzyżowanie" połączeń przewodów korespondencyjnych. Można go sobie wyobrazić jako "przełącznik przełączników". Kiedy naciskasz klawisz włącznika krzyżowego, zmienia on konfigurację połączeń między dwoma parami przewodów korespondencyjnych, które do niego wchodzą i z niego wychodzą. Dzięki temu, niezależnie od stanu poprzednich włączników, włącznik krzyżowy może zmienić stan obwodu, umożliwiając włączenie lub wyłączenie światła z dodatkowego miejsca. Jest to niezwykle sprytne rozwiązanie, które pozwala na rozbudowanie układu sterowania o dowolną liczbę punktów.
Schemat dla zaawansowanych: Jak wpiąć "krzyżaka" pomiędzy włączniki schodowe?
Kluczową zasadą, o której musisz pamiętać, jest to, że włącznik krzyżowy instaluje się ZAWSZE pomiędzy dwoma łącznikami schodowymi. Nigdy nie może być on na początku ani na końcu obwodu. Schemat wygląda następująco: przewody korespondencyjne z pierwszego łącznika schodowego wchodzą do włącznika krzyżowego. Z włącznika krzyżowego wychodzą kolejne dwa przewody korespondencyjne, które prowadzą do drugiego łącznika schodowego. Jeśli potrzebujesz więcej niż trzech punktów sterowania, po prostu dodajesz kolejne łączniki krzyżowe pomiędzy tymi dwoma łącznikami schodowymi. W układzie może być jeden lub więcej łączników krzyżowych, a każdy z nich dodaje kolejny punkt sterowania.
Praktyczne zastosowania: Półpiętra, długie korytarze i pokoje z wieloma wejściami
Włącznik krzyżowy staje się niezbędny w sytuacjach, gdy standardowy układ schodowy jest niewystarczający. Oto kilka przykładów, gdzie jego zastosowanie jest kluczowe:
- Bardzo długie korytarze w budynkach użyteczności publicznej lub dużych domach, gdzie potrzebujesz włączać i wyłączać światło z kilku punktów wzdłuż korytarza.
- Klatki schodowe z wieloma półpiętrami, gdzie chcesz mieć możliwość sterowania oświetleniem na każdym poziomie.
- Pokoje z trzema lub więcej wejściami, gdzie wymagane jest sterowanie światłem z każdego z nich, zapewniając maksymalną wygodę i bezpieczeństwo.
Najczęstsze błędy montażowe i jak ich uniknąć – ucz się na cudzych pomyłkach
Nawet doświadczeni majsterkowicze mogą popełniać błędy, a w przypadku instalacji elektrycznych mogą one być nie tylko frustrujące, ale przede wszystkim niebezpieczne. Moje doświadczenie pokazuje, że zrozumienie najczęstszych pułapek pozwala ich unikać. Dlatego podkreślam wagę dokładności, przestrzegania zasad i nielekceważenia żadnego etapu pracy.
Dlaczego światło "wariuje" lub działa tylko w jednej konfiguracji?
Jeśli po podłączeniu włącznika schodowego światło "wariuje", czyli np. włącza się tylko z jednego włącznika, miga, albo działa w sposób nieprzewidywalny (np. włącza się, gdy powinno się wyłączyć), to jest to niemal pewny sygnał błędu w okablowaniu. Najczęściej oznacza to, że przewody korespondencyjne zostały źle podłączone, lub pomylono je z przewodem fazowym. W takich sytuacjach nie ma co liczyć na cud – trzeba wrócić do schematu i dokładnie sprawdzić każde połączenie.
Błąd nr 1: Podłączanie przewodu neutralnego do włącznika
To jest jeden z najczęściej popełnianych błędów, który może prowadzić do poważnych konsekwencji. Włączniki schodowe (i krzyżowe) służą do przełączania przewodu fazowego. Przewód neutralny (N) powinien iść bezpośrednio do odbiornika (lampy), omijając włączniki. Podłączenie przewodu neutralnego do włącznika może skutkować brakiem działania instalacji, zwarciem, a w skrajnych przypadkach nawet uszkodzeniem urządzenia lub zagrożeniem pożarowym. Zawsze pamiętaj: włącznik steruje fazą, nie neutralnym!
Pamiętaj o bezpieczeństwie! Dlaczego zawsze należy wyłączyć zasilanie?
"Prace przy instalacji elektrycznej zawsze należy wykonywać z najwyższą ostrożnością. Przed rozpoczęciem jakichkolwiek działań upewnij się, że zasilanie zostało całkowicie odłączone, najlepiej poprzez wyłączenie odpowiedniego bezpiecznika w rozdzielnicy głównej. Użyj próbnika napięcia, aby potwierdzić brak prądu w przewodach."
To nie jest tylko formalność – to absolutna podstawa bezpieczeństwa. Porażenie prądem może być śmiertelne, a uszkodzenie instalacji elektrycznej może prowadzić do pożaru. Zawsze, zanim dotkniesz jakiegokolwiek przewodu, upewnij się, że zasilanie jest odłączone. Nie polegaj na samej pamięci – użyj próbnika napięcia, aby potwierdzić brak prądu w przewodach. To prosta czynność, która może uratować życie lub uchronić przed poważnymi konsekwencjami. Bezpieczeństwo przede wszystkim!
Przyszłość jest bezprzewodowa: Czy można zrobić układ schodowy bez kucia ścian?
W dobie inteligentnych domów i rosnącej popularności rozwiązań bezprzewodowych, tradycyjne kucie ścian i prowadzenie kilometrów przewodów staje się coraz mniej atrakcyjne. Na szczęście, technologia wychodzi naprzeciw tym potrzebom, oferując alternatywy dla klasycznych instalacji schodowych. To szczególnie cenne rozwiązanie w przypadku remontów, gdy nie chcemy niszczyć już wykończonych powierzchni, lub gdy po prostu nie ma możliwości poprowadzenia dodatkowych przewodów.
Jak działają radiowe i inteligentne włączniki schodowe (Wi-Fi, ZigBee)?
Bezprzewodowe systemy schodowe działają na zasadzie komunikacji radiowej, eliminując potrzebę stosowania przewodów korespondencyjnych. Zamiast nich, jeden element (nadajnik, czyli bezprzewodowy włącznik) wysyła sygnał do drugiego (odbiornika, czyli modułu dopuszkowego), który jest podłączony bezpośrednio do lampy. Odbiornik ten, po otrzymaniu sygnału, steruje oświetleniem. Nadajniki mogą być bezbateryjne (kinetyczne), co oznacza, że generują energię do wysłania sygnału w momencie naciśnięcia klawisza, lub zasilane bateryjnie. Technologiami najczęściej wykorzystywanymi w takich systemach są ZigBee, Z-Wave, a także Wi-Fi, które umożliwiają integrację z szerszymi systemami inteligentnego domu.
Przeczytaj również: Jak działa włącznik światła - budowa, typy i smart rozwiązania
Kiedy warto zainwestować w rozwiązanie bezprzewodowe zamiast tradycyjnego?
Decyzja o wyborze rozwiązania bezprzewodowego zamiast tradycyjnego zależy od wielu czynników. Oto główne argumenty, które przemawiają za nowoczesnymi systemami:
- Remonty: Idealne, gdy nie chcemy kuć ścian, prowadzić nowych przewodów lub gdy instalacja elektryczna jest już zakończona, a chcemy dodać nowy punkt sterowania.
- Elastyczność: Możliwość łatwej zmiany lokalizacji włączników, bez konieczności ingerencji w tynk. Możesz przenieść włącznik w dowolne miejsce, nawet na meble.
- Inteligentny dom: Bezprzewodowe włączniki łatwo integrują się z systemami smart home, umożliwiając sterowanie głosem, za pomocą aplikacji mobilnej, a także tworzenie zaawansowanych scenariuszy.
- Dodatkowe funkcje: Często oferują dodatkowe możliwości, takie jak programowanie scen świetlnych, harmonogramów, integracja z czujnikami ruchu czy zmierzchu, co zwiększa komfort i oszczędność energii.
Włączniki schodowe to niezwykle użyteczne elementy instalacji elektrycznej, które znacząco podnoszą komfort i bezpieczeństwo w naszych domach. Niezależnie od tego, czy zdecydujesz się na klasyczne rozwiązanie przewodowe, czy postawisz na nowoczesne systemy bezprzewodowe, kluczem jest zrozumienie zasady działania i prawidłowy montaż. Pamiętaj o bezpieczeństwie i zawsze dostosowuj wybór do swoich indywidualnych potrzeb i możliwości instalacyjnych. Świadomy wybór to gwarancja satysfakcji z funkcjonalnego oświetlenia.
