
Mocowanie żyrandola do sufitu - Czy zrobisz to bezpiecznie?
Bezpieczne mocowanie żyrandola do sufitu krok po kroku. Dowiedz się, jak zamontować lampę do betonu i karton-gipsu, unikając błędów. Sprawdź!
Patryk Kaźmierczak
•3 stycznia 2026
Bezpieczne mocowanie żyrandola do sufitu krok po kroku. Dowiedz się, jak zamontować lampę do betonu i karton-gipsu, unikając błędów. Sprawdź!

Jaką aplikację do sterowania LEDami wybrać? Poznaj Tuya Smart, Magic Home, dedykowane apki. Sprawdź, jak podłączyć, konfigurować i rozwiązywać problemy z LEDami.

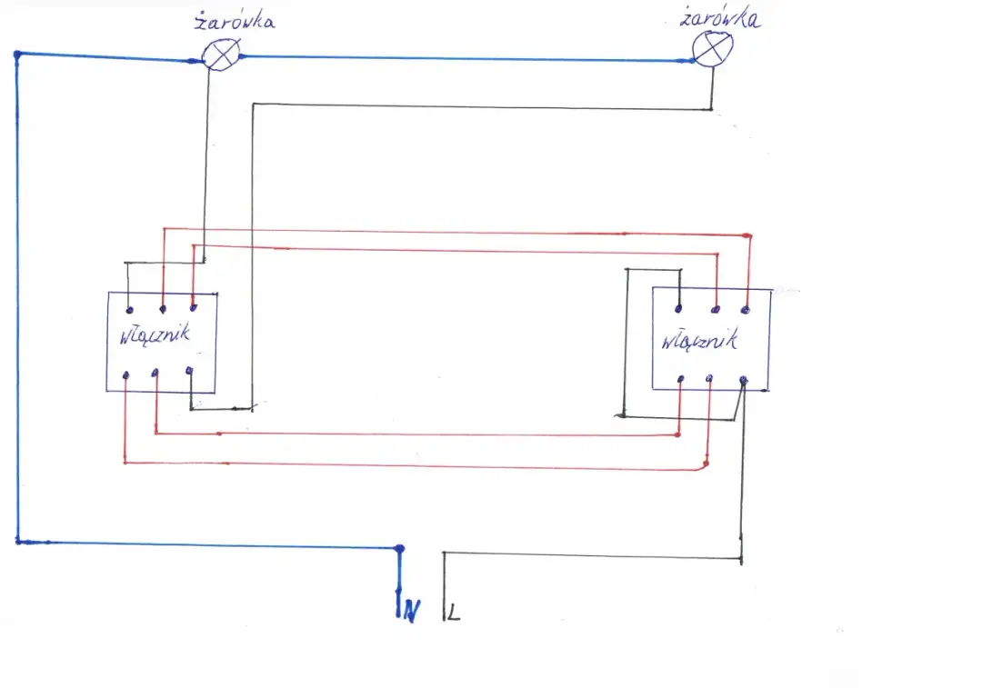
Szukasz schematu podłączenia łącznika schodowego podwójnego do dwóch lamp? Nasz poradnik DIY krok po kroku zapewni Ci bezpieczeństwo i sukces!

Jak podłączyć ściemniacz LED bezpiecznie i skutecznie? Nasz poradnik krok po kroku wyjaśnia montaż, kompatybilność i rozwiązywanie problemów. Dowiedz się więcej!

Oświetlenie pokoju - kompleksowy poradnik! Poznaj 3 warstwy światła, techniczne sekrety i trendy 2026. Zaplanuj idealną aranżację.